Вид, Разрез, Местный Вырыв в Компас-3D [Чертежи]
Черчение проекционное. Ступенчатый разрез
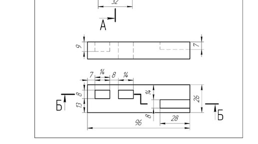
Задание: 1. По двум данным видам построить третий вид; 2. Выполнить необходимые разрезы; 3. Проставить размеры Чертеж выполнен на формате А3. ♦ Софт: Компас (.cdw); ♦ Софт: Автокад (.dwg) по заказу; Формат: jpeg По заказу пишите в VK: https://vk...
Как сделать разрезы в КОМПАС-3D:
Начнем, пожалуй с общего значения. Who is Mr разрез? Разрез – это изображение того, что рассекли секущей плоскостью, показав внутренние части детали (отверстия, углубления, фаски итд.) В зависимости от количества этих секущих плоскостей, разрезы делят на простые и сложные. Сегодня мы по большей части сосредоточимся на простых. Разрез детали простого сечения: Имеется у меня деталька вот такого типа: И надо заменить вид спереди на разрез. А как?! Минуточку, сейчас все покажу. Делаем вид с модели, я взял вид сверху и поставил на чертеж в масштабе 2:1 для наглядности...