2056 читали · 5 лет назад
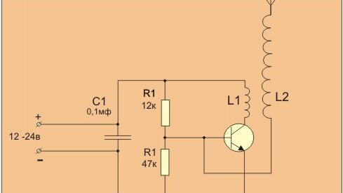
Транзисторы КТ805 и качер Бровина.
Качер Бровина - чрезвычайно популярное устройство, представляющее из себя фактически, настольный трансформатор Тесла - источник высокого напряжения. Схема самого генератора предельно проста - он очень напоминает обычный блокинг-генератор на одном транзисторе, хотя как утверждают многие, им вовсе не является. В качере (как в общем-то и в блокинг-генераторе) теоретически, можно использовать любые транзисторы и радиолампы. Однако, практически очень неплохо себя зарекомендовали именно транзисторы КТ805, в частости - КТ805АМ...
06:44
1,0×
00:00/06:44
929,3 тыс смотрели · 4 года назад
242 читали · 2 года назад
Необычайно крутой мультик 2023 года.
"Глубокое море" Очень трогательные , мрачноватые и невообразимые приключения в поисках мамы в необыкновенном мире. Мультфильм снят в 2023 году в Китае . Он заинтересует вас необыкновенно графикой которая действительно поражает. Мультфильм полон разных ярких красок в нём прекрасно показана на что способна компьютерная графика . По моему скромному мнение могу сказать , что это мультфильм нового поколения. Так же в нём интересный сюжет который будет держать вас в напряжение до самого конца...