замена реле регулятора
Регулятор для мощного нагревателя на твердотельном реле
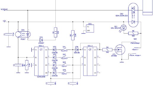
Назначение В литературе и на радиолюбительских ресурсах в сети приведено немало различных схем регуляторов мощности, от простых на одном тиристоре до довольно сложных, с микроконтроллерным управлением. Однако в подавляющем большинстве конструкций таких регуляторов используется фазовый метод управления выходными тиристорами, поэтому они неизбежно создают импульсные помехи, интенсивность которых возрастает с увеличением мощности нагрузки. Для управления нагрузкой, обладающей значительной инерционностью,...