Замена генератора на ниве !
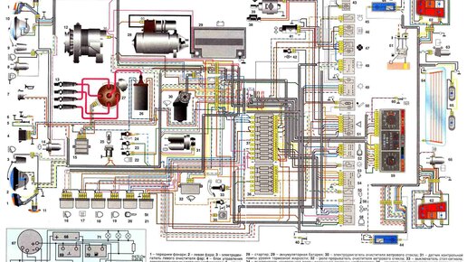
Описание электросхемы нива 2121
В отечественном внедорожнике нива все электрическое оборудование выполняется по стандартной однопроводной схеме. В качестве второго провода используется так называемая масса. То есть металлические детали кузова транспортного средства...