Простая гениальная СХЕМА автоматического освещения с АКБ
Схема освещения (наружного)
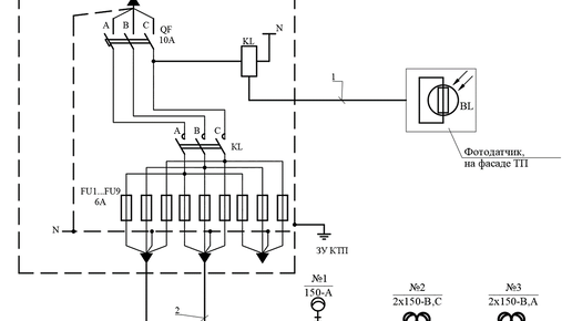
Прежде чем составлять схему наружного освещения, необходимо определиться, как будут работать светильники. Основные виды наружного освещения – рабочее и дежурное, ручное и автоматическое. Рабочее освещение или основное – это все светильники, которые включаются при наступлении темного времени суток. Дежурное освещение подразумевает работу нескольких светильников, т.е. часть отключается в заданное время. При ручном управлении переключатели освещения устанавливаются непосредственно на дверце шкафа или в комнате дежурного...