06:44
1,0×
00:00/06:44
886,4 тыс смотрели · 4 года назад
3 года назад
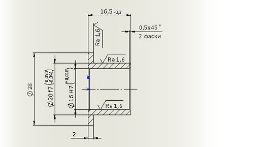
Чертеж втулки с 3D модели в SolidWorks
Всем привет! В этом мы будем создавать чертеж втулки в SolidWorks с 3Д модели созданной в уроке «Втулка, 3D модель в SolidWorks». Открываем эту 3д модель! Свойства модели в SolidWorks После того как модель открылась, нужно заполнить свойства модели, чтобы они автоматически заполнились на основной надписи чертежа. Для этого нажимаем на кнопку свойства файла, она находится в стандартной панели инструментов. Открывается окно суммарная информация, переходим на вкладку «Конфигурация» и заполняем поле «Обозначение», вводим для него значение 3ДДД...