Амперметр для расчёта напряжения и силы тока при зарядке аккумулятора
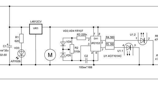
Зарядное устройство для аккумулятора.
Вопросам грамотного обслуживания автомобильных аккумуляторных батарей (АКБ) всегда уделялось много внимания. В процессе эксплуатации АКБ, а тем более в тяжелых условиях зимы (при низких температурах, частых...
12 Лучших зарядных устройств для автомобильных аккумуляторов - Рейтинг 2025
Обновлено: Июль 2025 г. 🔝🔥 Зима – это сложное время для автолюбителей, поскольку необходимо не только сменить резину, но и позаботиться о качественном аккумуляторе с хорошим ресурсом, чтобы автомобиль беспроблемно завелся в лютые морозы. Аккумуляторы следует подзаряжать, а для этого случая необходимо ЗУ. Каждому автомобильному аккумулятору требуется подзарядка примерно раз в три месяца, а то и чаще. К выбору такого нужного устройства важно подойти со всей ответственностью, чтобы не выбросить напрасно деньги...