4904 читали · 5 лет назад
Зажигание УАЗ 469
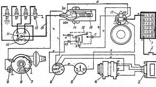
Эффективное зажигание позволяет быстро без проблем запускать двигатель автомобиля в любых условиях. С исправным зажиганием без перебоев функционируют все системы электрического обеспечения: стеклоочистители, освещение, потребители, датчики, указатели. Какие существуют типы систем, настройка, регулировка зажигания УАЗ 469 – в данной статье. Система зажигания УАЗ 469 Чтобы завести движок любого транспортного средства, необходимо, чтобы горючая смесь воспламенилась в нужный момент в камере сгорания...