Салли Кромсали и Балди Разгадали Новый Секрет Злой Бабушки Гренни все серии Страшилки мультики
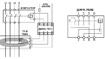
СХЕМЫ ЭЛЕКТРИЧЕСКИХ СОЕДИНЕНИЙ
Электрической схемой или схемой электрических соединений называют чертеж, на котором нанесены элементы электрической установки, а также показаны соединения между ними в той последовательности, в которой они выполняются в действительности. Существует два основных вида схем: электрические схемы основных цепей; электрические схемы вторичных цепей. На первых изображают главные цепи электрической установки, по которым электроэнергия проходит от генераторов станции к потребителям. На этих схемах показывают все основные машины и аппараты установки...