Установка увеличенного топливного бака объемом 125 литров от ARB на NISSAN NP 300
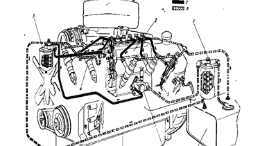
СИСТЕМА ПИТАНИЯ.
СИСТЕМА ПИТАНИЯ. Система питания — разделенного типа, состоит из
топливного насоса высокого давления со всережимным
регулятором числа оборотов, топливоподкачивающим
насосом и автоматической муфтой опережения впрыска, форсунок, фильтров грубой и тонкой очистки, топливопроводов низкого и высокого давления (рис. 22). Топливо засасывается подкачивающим насосом из
бака через фильтр грубой очистки и через фильтр тонкой очистки подается к топливному насосу высокого
давления, который в соответствии с порядком...