Таймер разеточный электронный SBE-STE1 . Настройка и ввод в работу! Легко и просто!
Что такое реле времени и где применяется
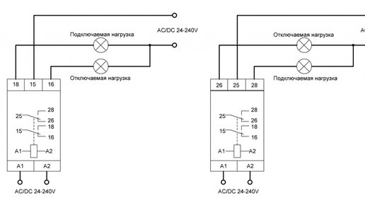
Здравствуйте, дорогие читатели! С Вами Рик. Я работаю инженером в Научно-технической компании «Приборэнерго», российском разработчике устройств релейной защиты и автоматики, а также низковольтного и высоковольтного оборудования. В этой статье мы рассмотрим что такое реле времени и где применяется. Что такое реле времени Реле времени - это электронное устройство, предназначенное для автоматического включения и выключения электрических цепей через определенные промежутки времени. Оно используется...