Стабилизатор тока и напряжения LM2596, подключаем светодиод 1 Вт
Стабилизатор для питания устройств от бортовой сети автомобиля
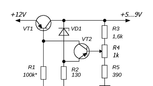
В этой статье речь пойдет о простой практической схеме регулируемого стабилизатора напряжения для автомобиля, гаража или дома. Статья подойдет для радиолюбителей любого уровня. Напряжение электрической бортовой сети автомобиля составляет, как правило, 12,6 вольт. Однако это значение не слишком стабильно и может колебаться в некоторых пределах, в зависимости от состояния аккумулятора, режимов работы генератора и некоторых других факторов. Кроме того, многие современные потребители (электронные приборы), требуют для своей работы напряжения питания ниже этого значения, например — 5 или 9 вольт...