Обзор датчиков движения
Активный эмулятор датчиков RTD поддерживает все схемы подключения
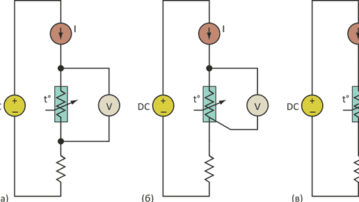
Перед проведением формального теста системы сбора данных с несколькими резистивными датчиками температуры (RTD) часто бывает необходимо откалибровать и отладить ее, чтобы проверить базовую функциональность. Метод решения «в лоб» состоял бы в том, чтобы подключить все датчики к интерфейсной плате и использовать климатическую камеру для установки температуры RTD. Более простым способом является использование программно-управляемого эмулятора RTD для получения напряжений, охватывающих диапазон выходных сигналов датчиков...