Рено Логан Моргает иммобилайзер Не заводится
Заводиться и глохнет Рено Логан часть3
Часть 1
Часть 2
Продолжаем искать неисправности. что было сделано, Проверил клеммы аккумулятора, почистил подтянул, зарядил аккумулятор не помогло.
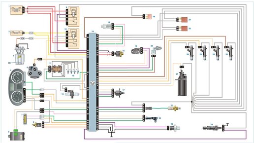
полезное фото из яндекс картинок
Рено логан Заводиться и глохнет! В чем причина?
Вчера вылезла проблема. Пришел в гараж Завел мотор , через 1-2 минуты работы на холостых двигатель начал троить, двоить, и заглох совсем. Завел заново , завелся уверенно, но через 5 секунд опять заглох...