Подключение ДХО к режиму AUTO, установка реле, стабилизатора напряжения на Murano Z51 (подробно)
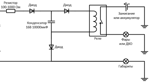
Простое реле с задержкой включения света фар или ДХО
Устройство включает ближний свет фар или ДХО автоматически спустя 5-10 сек. Схема очень простая, содержит мало радиоэлементов и надёжна в работе (проверено на себе). Описание работы: При таком подключении фары будут включаться только при заведенном двигателе и не будут сажать аккумулятор если вы не едете, а стоите и слушаете музыку, например. Реле поможет избежать ненужных штрафов за выключенный свет при движении и окупит себя с лихвой. При подаче питания с генератора или провода бензонасоса автомобиля напряжение через диод поступает на конденсатор, который начинает заряжаться...