Регулировка клапанов мотоцикл Урал.
Как прокачать тормоза на а/м Урал 4320, 43206, 5557
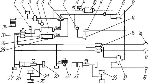
Перед прокачкой тормозной системы автомобилей Урал 4320, 43206, 5557, нужно убедиться в ее работоспобности. Проверка тормозной системы В первую очередь, измерьте на выходе из обоих отделов тормозного крана давление и протестируйте действие тройного защитного клапана (5, см. схему). Чтобы сделать это, контрольные манометры подключите к линии "тормозной кран-пневмоусилитель" и, когда давление будет 650-800 кПа (6...