Обзор Ducati Panigale, часть 4 | Поломки и детские болезни
Мощный регулятор напряжения.
Здравствуйте дорогие друзья! Как и обещал, пишу чем я занимался пока ждал посылку из Китая. В этом материале и в следующем расскажу коротко об этом.
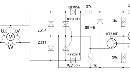
Речь пойдет о статье «Устройство запуска трехфазных электродвигателей» в журнале РАДИО 1996 №6 стр...