• Главная
  • Подписки
  • Найти
  • Новости
  • Статьи
  • Видео
  • Ролики
  • Видеоигры
  • Детям
Всё о ДзенеВакансииДзен на iOS и Android
ВсёНовостиТемыКаналыВидео и РоликиСтатьи и Посты
Авто
03:46
1,0×
00:00/03:46
PROавто PROавто
6082 смотрели · 2 года назад
Обзор УАЗ СГР 390945 Фермер 2023
Николай Попов
173 читали · 4 года назад
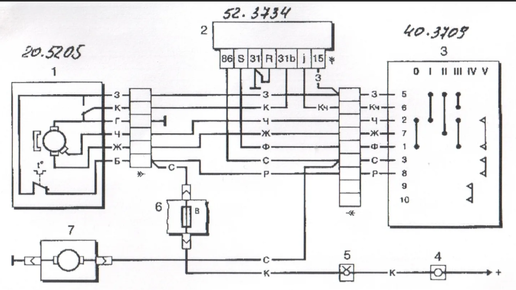
Схема дворников уаз буханка. уаз 469!
13:51
1,0×
00:00/13:51
Сергей Николаевич
3368 смотрели · 3 года назад
Мой трудяга УАЗ 390945_ Фермер_..mp4
Также ищут
уаз 452 размер багажникахарактеристика переднего моста уазхарактеристики уаз буханка 409размер уаз салона уаз буханкауаз 469 большой расход топлива
4001320876.2096.1771022893330.52526