Стартер не выключается после запуска двигателя. Одна из причин
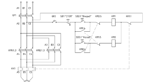
Реверсивная схема запуска асинхронного электродвигателя
Как и обещал в предыдущей статье, привожу схему реверсивного пуска асинхронного двигателя посредством двух магнитных пускателей. Принцип работы аналогичен нереверсивному запуску, поэтому подробно останавливаться не будем. Главным отличием является использование дополнительных блокировочных контактов КМ1:5 и КМ2:5. Известно, что для изменения направления вращения необходимо изменить чередование фаз (в приведенной схеме поменяны местами фазы А и С). И в случае одновременного включения обоих магнитных пускателей, произойдет короткое замыкание на контактах магнитного пускателя КМ1:1...