Замена передней опоры двигателя 4b10 в Митсубиси Лансер 10
Что нужно, для отличной работы двигателя Mitsubishi lancer 10 2.0 4B11 - Цены и аналоги запчастей. 1 часть.
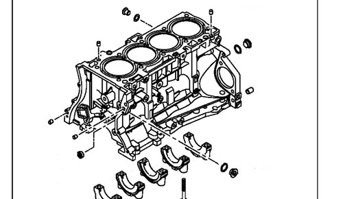
Блок цилиндров в сборе номер: Mn 163642 Стоимость в районе от 30 до 70 тыс. Руб продается только в оригинальном исполнении поэтому придется подождать. Пробка, блок цилиндров номер: Mn 163823 Стоимость в районе от 200 до 500 рублей за 1 шт...