Renault Logan программирование ЭБУ EMS3132. Volkswagen Jetta. Программирование ЭБУ MED17.5.5.
Отсутствие искры в 1 и 4 цилиндре
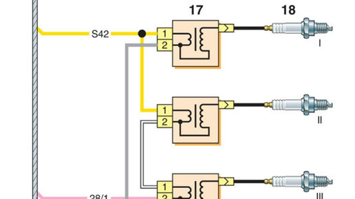
Столкнулся с проблемой троения двигателя (как оказалось позже двоением), провозился в поисках неисправности несколько дней. Заменил 4 свечи, 1 катушку зажигания (4 цилиндра) у которой сопротивление было отличное от остальных, не помогло, двигатель двоит, пишет ошибку p0301 пропуски зажигания в 1 цилиндре. Проверил топливные форсунки, все пылят. Менял местами катушки и свечи 1,4 и 2,3 цилиндров не помогло. Измерил компрессию, во всех цилиндрах 14. Проверил искру, вытащив все катушки и вставив свечи...