11,5 тыс читали · 3 года назад
ОУ 4558 — классика с подвохом
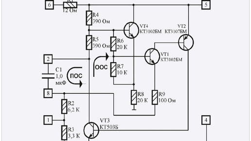
ОУ 4558 — классика с подвохом В массовой аппаратуре не высокой стоимости, построенной на ОУ, часто встречается одна и та же импортная микросхема, имеющая наименование ***4558 с некоторыми буквами впереди(***), указывающими на производителя микросхемы. Так же можно встретить 4556, 4559, 4562, 4565 и 4580. Её работа в звуковом диапазоне вызывает нарекания среди любителей качественного звучания и профессионалов обработки звука — они характеризуют звук, пропущенный через каскад на ОУ 4558 как «замыленный» или «пластиковый»...
1074 читали · 4 месяца назад
Плата Waveshare ESP32-S3-Touch-LCD-4
Доброго здравия, уважаемые читатели! Представляю вашему вниманию технический миниобзор платы Waveshare ESP32-S3-Touch-LCD-4. Под словом “технический” в данном случае подразумевается то, что примеров её программирования в данной статье не будет. Возможно, я это сделаю позже. Однако на сайте производителя такие примеры имеются (в том числе и для Arduino, и для ESP-IDF), и ссылки на них вы обязательно найдете в конце статьи. Дисклеймер. Данную плату я приобрел за личные денежные средства и для личного использования...
32,2 тыс читали · 1 год назад
Китайские микроконтроллеры CH32V003 - с чего начать: от софта до самодельной отладочной платы
Рано или поздно запасы моих любимых ATtiny13 должны были подойти к концу. Случилось это примерно в начале октября. В то же время, идеи для будущих проектов заканчиваться никак не хотели. Более того, эти идеи возникали в моей голове в самое неподходящее время, лишая сна, аппетита и душевного равновесия. В общем, полез я на Али за очередной партией 8-ногих букашек... Сказать, что я испытал шок - ничего не сказать! В голове просто не укладывалась бизнес-модель, при которой максимально урезанный чип...