4044 читали · 4 года назад
Реверсивная схема управления двигателем. Простая типовая схема. Рассказываю, как работает
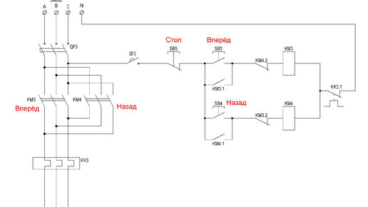
В данной статье я хочу рассмотреть реверсивную схему управления электродвигателем. Эта схема применяется в тех случаях, когда необходимо менять направление вращения на двигателе. Рассмотрим, как это всё работает. Реверс Для того, чтобы изменить вращение двигателя с одного на другое, необходимо поменять фазировку. Это всем известно. Для этого в силовой цепи используются два пускателя или контактора KM3 и KM4. Пускатель KM3 служит для вращения в одну сторону, KM4 для вращения в противоположную сторону...