524 читали · 5 лет назад
Замена тормозных колодок Honda Dio 35 ZX
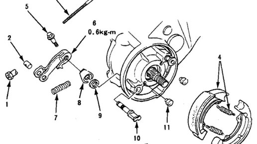
Добрый день уважаемые читатели! Сегодня я расскажу, как менять тормозные колодки на скутере Honda Dio AF 35 ZX, процедура не сложная, сделать это одному вполне реально. С чего же начать?) Начинаем с передних...