Салли Кромсали и Балди Разгадали Новый Секрет Злой Бабушки Гренни все серии Страшилки мультики
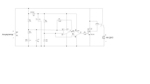
Контролер дневных ходовых огней своими руками
Изменения в ПДД, внесенные в ноябре 2010 года, обязывают водителя транспортного средства включать дневные ходовые огни, либо ближний свет фар, либо противотуманные фары независимо от времени суток и условий видимости. Решил замутить контролер ходовых огней. Но решение было такое, чтобы ни где не резать провода и минимальные усилия при подключении...