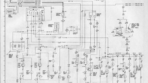
Как читать автомобильные электросхемы
Электрические схемы автомобилей
Первую схему автомобильного электрооборудования придумали американцы. История не сохранила имя автора идеи,но он посмотрел на автомобиль с высоты куриного полета и что увидел-то и нарисовал.Позднее,после того как в автомобиле стало возрастать количество лампочек и фенечек-на один листок это влезать перестало и так появилась координатная схема. Она напоминает листок для морского боя,только букв и цифер там гораздо больше. Пользоваться координатной схемой легко и просто ,если у края листа провода...