Добавить в корзинуПозвонить
Найти в Дзене

Народный BLDC. Емкость имеет значение

Через D2 заряжается бутстрепный конденсатор C5. Емкость его значительно выше, чем моего прототипа на IR2104S (2.2мкФ). Но тут есть R60 - он формирует подзарядку C5, даже когда нижний ключ закрыт. C8 - сглаживает ВЧ пульсации. Емкость на входе контроллера можно не ставить или, хотя бы, оставить только одну "банку". Суть этого буфера - сглаживание пульсаций мотора (ЭДС самоиндукции). Чтобы возвратные импульсы из обмоток двигателя при выключение выходных транзисторов их же не сожгли. Убрав входные конденсаторы, обязательно надо поставить с меньшей емкостью на каждую фазу. Поближе к ключам. См. схему выше. Так же можно поставить "чип-керамику" для дополнительной ВЧ фильтрации, а лучше "пленку" (достать из светодиодных ламп). Так это выглядит на плате гироскутера. Для двигателя 350Вт стоят конденсаторы всего лишь 47мкФ (синие). Черные - бутстрепные. На входе стоят дополнительно 2 х 220мкФ на каждый мотор. В контроллере на 5КВт стоят конденсаторы по 470мкФ на каждое плечо (на порядок больше
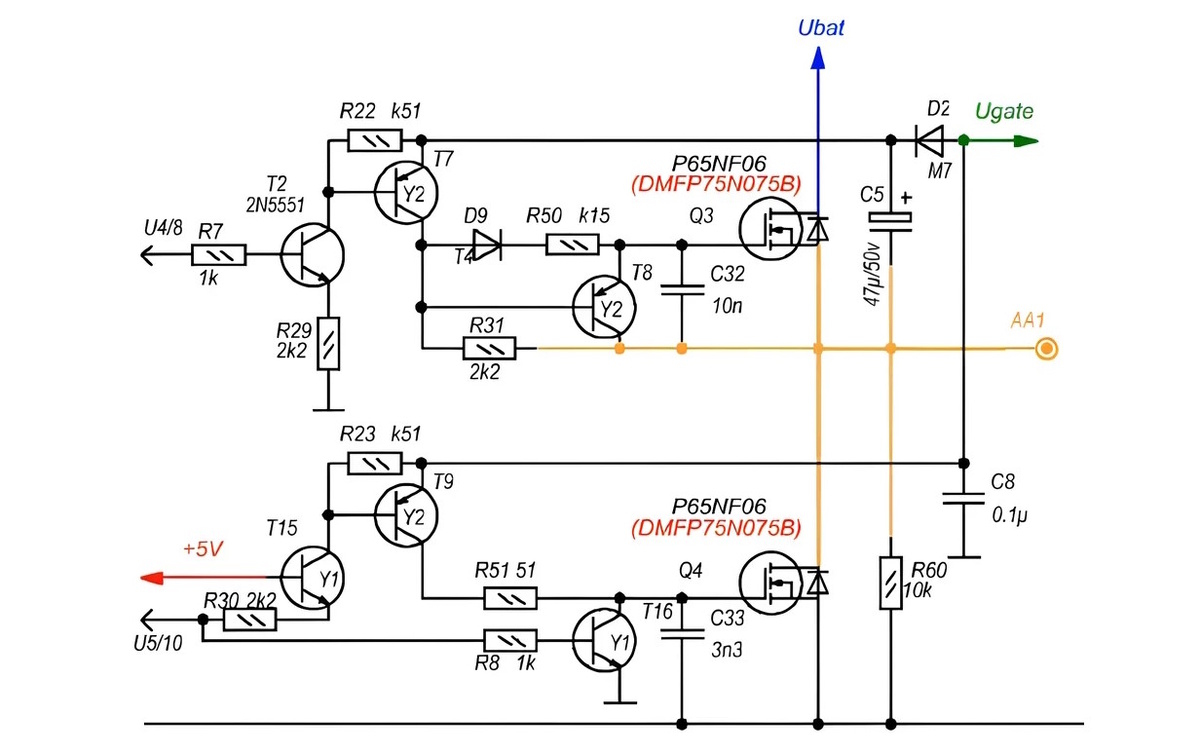
Силовой полумост для одной фазы BLDC
Силовой полумост для одной фазы BLDC

Через D2 заряжается бутстрепный конденсатор C5. Емкость его значительно выше, чем моего прототипа на IR2104S (2.2мкФ). Но тут есть R60 - он формирует подзарядку C5, даже когда нижний ключ закрыт. C8 - сглаживает ВЧ пульсации.

Емкость на входе контроллера можно не ставить или, хотя бы, оставить только одну "банку". Суть этого буфера - сглаживание пульсаций мотора (ЭДС самоиндукции). Чтобы возвратные импульсы из обмоток двигателя при выключение выходных транзисторов их же не сожгли.

Оконечный каскад силового полумоста BLDC контроллера
Оконечный каскад силового полумоста BLDC контроллера

Убрав входные конденсаторы, обязательно надо поставить с меньшей емкостью на каждую фазу. Поближе к ключам. См. схему выше. Так же можно поставить "чип-керамику" для дополнительной ВЧ фильтрации, а лучше "пленку" (достать из светодиодных ламп).

Конденсаторы на плате гироскутера
Конденсаторы на плате гироскутера

Так это выглядит на плате гироскутера. Для двигателя 350Вт стоят конденсаторы всего лишь 47мкФ (синие). Черные - бутстрепные. На входе стоят дополнительно 2 х 220мкФ на каждый мотор.

В контроллере на 5КВт стоят конденсаторы по 470мкФ на каждое плечо (на порядок больше емкость, чем у гироскутера).

Про большой китайский сайт я ничего не знаю, интернетом пользоваться не умею и, кроме импортозамещения, ничем не занимаюсь.