Добавить в корзинуПозвонить
Найти в Дзене
Andrey774mag

Усилитель класса В.

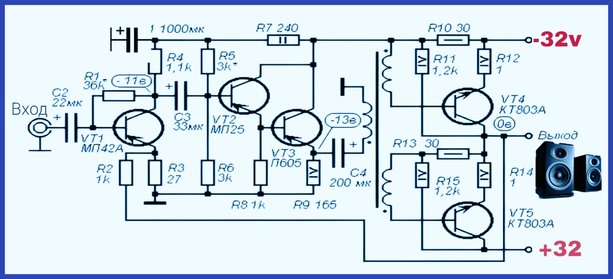
Усилители низкой частоты класса "В" занимают особое место в истории аудиотехники. Несмотря на присущие им недостатки (например, "переключательные" искажения), эти устройства стали основой для множества инновационных разработок. Особого внимания заслуживает схема с фазоинвертором на трансформаторе - решение, которое по праву можно назвать Hi-End уровнем для своего времени.
Именно из-за
Оглавление

Усилители низкой частоты класса "В" занимают особое место в истории аудиотехники. Несмотря на присущие им недостатки (например, "переключательные" искажения), эти устройства стали основой для множества инновационных разработок. Особого внимания заслуживает схема с фазоинвертором на трансформаторе - решение, которое по праву можно назвать Hi-End уровнем для своего времени.

  • КПД может достигать 78% - значительно выше, чем у класса A (до 25%);
  • основной недостаток - искажения типа "ступенька" при слабых сигналах (из-за порога открытия транзисторов ~0.6 В для кремниевых биполярных);
  • применение преимущественно в двухтактных каскадах.

Именно из-за нелинейности вблизи нуля класс "В" редко используется "в чистом виде" - большинство современных усилителей применяют компромиссный класс AB с небольшим смещением транзисторов.

На представленной схеме реализован классический фазоинвертор с трансформатором - решение, сочетающее:

  • надёжность (за счёт гальванической развязки каскадов);
  • симметрию выходных сигналов (ключевой фактор для двухтактного усиления);
  • минимальные фазовые искажения (благодаря линейным свойствам трансформаторной связи).

Ключевые элементы схемы:

Трансформатор фазоинвертора (сечение сердечника 1 см², обмотки по 1000 витков): первичная обмотка: провод 0,15 мм (ПЭВ-2); вторичные обмотки: провод 0,27 мм (ПЭВ-2); обеспечивает разделение фаз сигнала для двухтактного выходного каскада. Входной каскад (на транзисторах VT1 (МП42А) и VT2 (МП25)): формирует симметричные полуволны сигнала; использует RC-цепочки (например, C1 1000 мкФ, R7 240 Ом) для фильтрации и стабилизации. Выходной каскад (на мощных транзисторах VT4, VT5 (КТ803А)): работает в классе "В" с разделением нагрузки; обеспечивает выходную мощность 6 Вт при КНИ - 2% (нагрузка 12-18 Ом); резисторы R10, R13 (30 Ом) и R11, R15 (1,2 кОм) задают режим работы транзисторов. Элементы стабилизации (конденсаторы C3 33 мкФ, C4 200 мкФ):

Данная схема - яркий пример советской схемотехники конца 60-х - начала 70-х годов.

При повторении данной схемы важно учитывать:

Термостабильность - КТ803А требуют эффективных радиаторов из-за высокого теплового режима.

Подбор транзисторов - VT4 и VT5 должны быть согласованы по коэффициенту передачи (h21э).

Фазоинвертор с трансформатором в УНЧ класса "В" - это не просто "ретро-схема", а эталонный пример аналоговой инженерии.

важность симметрии в двухтактных каскадах;
роль трансформаторной развязки в подавлении помех;
компромисс между КПД и качеством звучания.

Если вы интересуетесь аналоговой схемотехникой - эта схема станет отличным стартом для экспериментов с усилителями класса "В".