Добавить в корзинуПозвонить
Найти в Дзене
Старый радио любитель

Радиоконструкторы. Знаменитый "Малыш-М". Загадка конденсатора С2.

Как я думал, мнения читателей о роли конденсатора С2 в схеме приемника разделились. Одни считали, что конденсатор С2 является элементом положительной обратной связи, а другие разделяли точку зрения, изложенную в моей статье. И я решил проверить, кто же прав. За версию о ПОС было то, что в журнальной статье (Радио, №12, 1978 год) было упоминание в ней наличие этой связи в приемнике, но ни слова больше о ее реализации. Вторым доводом стала относительно небольшая емкость С2=1 нФ, в то время как емкость С4=33 нФ. Нарисовал модель в LTspice. Конечно, транзисторы не германиевые, а кремниевые, да и h21э у них не в пример ГТ308, но при напряжении питания 8 В это можно пережить. Для начала я включил конденсатор (у меня в модели он не С2, а С1) по стандартной схеме. В этом случае транзистор Q1 работает ка эмиттерный повторитель и коэффициент усиления двух каскадов около 45. Теперь переключаю конденсатор С1 нижним выводом к эмиттеру Q1. Как видите, усиление подпрыгнуло выше 60 дБ и сигнал на выхо

Как я думал, мнения читателей о роли конденсатора С2 в схеме приемника разделились. Одни считали, что конденсатор С2 является элементом положительной обратной связи, а другие разделяли точку зрения, изложенную в моей статье. И я решил проверить, кто же прав.

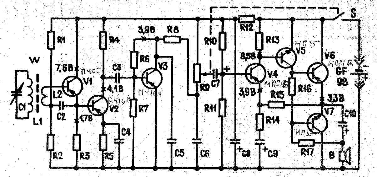
Рис. 1. Из инструкции по сборке. С сайта https://rw6ase.narod.ru/
Рис. 1. Из инструкции по сборке. С сайта https://rw6ase.narod.ru/

За версию о ПОС было то, что в журнальной статье (Радио, №12, 1978 год) было упоминание в ней наличие этой связи в приемнике, но ни слова больше о ее реализации. Вторым доводом стала относительно небольшая емкость С2=1 нФ, в то время как емкость С4=33 нФ.

Нарисовал модель в LTspice. Конечно, транзисторы не германиевые, а кремниевые, да и h21э у них не в пример ГТ308, но при напряжении питания 8 В это можно пережить.

Рис. 2.
Рис. 2.

Для начала я включил конденсатор (у меня в модели он не С2, а С1) по стандартной схеме. В этом случае транзистор Q1 работает ка эмиттерный повторитель и коэффициент усиления двух каскадов около 45.

Теперь переключаю конденсатор С1 нижним выводом к эмиттеру Q1.

Рис. 3.
Рис. 3.

Как видите, усиление подпрыгнуло выше 60 дБ и сигнал на выходе начал ограничиваться. Уменьшаю входной сигнал в 10 раз, до 100 мкВ.

Рис. 4.
Рис. 4.

Искажение на выходе исчезло, коэффициент усиления составил около 2000. Давайте прикинем: коэффициент усиления второго каскада 45, а у первого, если он будет работать в схеме ОЭ, будет около 15 (R4 в три раза больше R2). Т.е. общее усиление двух каскадов будет 14 х 45 =630. Это в три раза меньше, чем получилось в модели. Значит, все-таки ПОС?

В журнале Радио указывалось, что использование ПОС может привести к самовозбуждению. Отключаю генератор V3.

Рис. 5.
Рис. 5.

Никакого возбуждения нет и в помине, даже с транзисторами, имеющими в 5 раз бОльший h21э. Может это не ПОС? Как это выяснить? А попробую-ка я отсоединить второй каскад. Если при этом усиление первого каскада будет велико - то это ПОС, а если мало - то действительно R2 - это нагрузка этого каскада с ОЭ.

Рис. 6.
Рис. 6.

Коэффициент усиления 35. Как это понимать? Это много или мало. Рисую каскад на одном транзисторе.

Рис. 7.
Рис. 7.

Коэффициент усиления 150, а я предполагал, что 15. И никакой ПОС тут нет. Сравним рис. 6 и рис. 7. Судя по Кус, на рис. 6 не ПОС, а ООС :)).

Так что, мне кажется, что пресловутый С2 на рис. 1 является переходным конденсатором - вот такой заковыристый каскад на V1.

К сожалению, такое большое усиление при входном сигнале 10 мВ приводит к ограничению на выходе.

Рис. 8.
Рис. 8.

Но усиление легко уменьшить, отсоединив верхний вывод С2 от эмиттера Q2, при этом возникает глубокая ООС по переменному току, снижающего усиление этого каскада.

Рис. 9.
Рис. 9.

При этом общий Кус=65. А это позволяет ввести эффективную АРУ.

Конечно, посмотрел АЧХ этого простого усилителя.

Рис. 10.
Рис. 10.

Вот такие результаты моделирования. Теперь, что скажет практика?

Всем здоровья и успехов!