Добавить в корзинуПозвонить
Найти в Дзене

Как MOSFET влияет на эффективность очистителей воздуха: разбор для практики

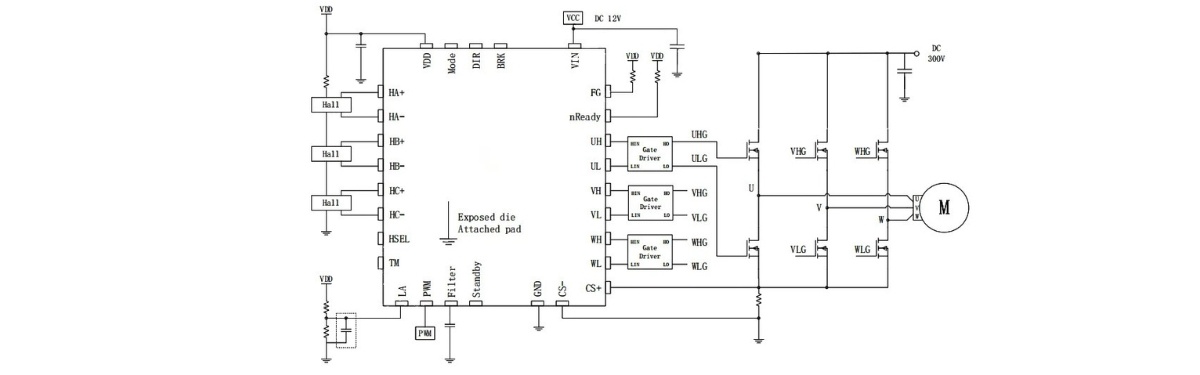
С ростом интереса к качеству воздуха очистители перестали быть «дополнительной опцией» и стали привычным элементом дома и офиса. За внешне простым устройством скрывается довольно сложная электроника, в которой сочетаются разные технологии очистки и управления. Разберёмся, какую роль в этом играет силовая электроника — и в частности MOSFET. Современные устройства редко ограничиваются одним методом очистки. Обычно они комбинируют сразу несколько подходов: Всё это требует точного управления и стабильной работы электроники. MOSFET — это ключевой компонент, который отвечает за управление мощностью внутри устройства. Например, транзистор VBE1206N используется благодаря сбалансированным характеристикам: Такие параметры позволяют уверенно работать с нагрузками и переходными процессами. При проектировании важно учитывать не только базовые параметры, но и реальные условия работы. Основные критерии: 1. Запас по напряжению
Лучше закладывать +20–30% к рабочему значению 2. Токовая нагрузка
С учёто
Оглавление

С ростом интереса к качеству воздуха очистители перестали быть «дополнительной опцией» и стали привычным элементом дома и офиса. За внешне простым устройством скрывается довольно сложная электроника, в которой сочетаются разные технологии очистки и управления.

Разберёмся, какую роль в этом играет силовая электроника — и в частности MOSFET.

Какие технологии используются в очистителях воздуха

Современные устройства редко ограничиваются одним методом очистки. Обычно они комбинируют сразу несколько подходов:

  • Механическая фильтрация — HEPA-фильтры задерживают пыль и мелкие частицы
  • Электростатическая очистка — заряженные частицы оседают под действием поля
  • Фотокаталитические процессы — ультрафиолет помогает разлагать вредные вещества

Всё это требует точного управления и стабильной работы электроники.

-2

Зачем в очистителе MOSFET

MOSFET — это ключевой компонент, который отвечает за управление мощностью внутри устройства. Например, транзистор VBE1206N используется благодаря сбалансированным характеристикам:

  • до 200 В по напряжению
  • ток до 30 А
  • низкое сопротивление канала
  • высокая скорость переключения

Такие параметры позволяют уверенно работать с нагрузками и переходными процессами.

Где именно он применяется

1. Управление вентилятором

2. Генерация отрицательных ионов

3. Работа с датчиками воздуха

Как правильно выбрать MOSFET для таких задач

При проектировании важно учитывать не только базовые параметры, но и реальные условия работы.

Основные критерии:

1. Запас по напряжению

Лучше закладывать +20–30% к рабочему значению

2. Токовая нагрузка

С учётом пусковых токов — запас до 50%

3. Сопротивление канала

Чем ниже — тем меньше потери

Но важно учитывать рост при нагреве

4. Динамика переключения

Высокая скорость снижает потери, но может увеличить помехи

5. Тепловой режим

Обязательно учитывать:

  • тепловое сопротивление
  • охлаждение
  • разводку платы

Читайте далее....