Добавить в корзинуПозвонить
Найти в Дзене
Старые схемы...

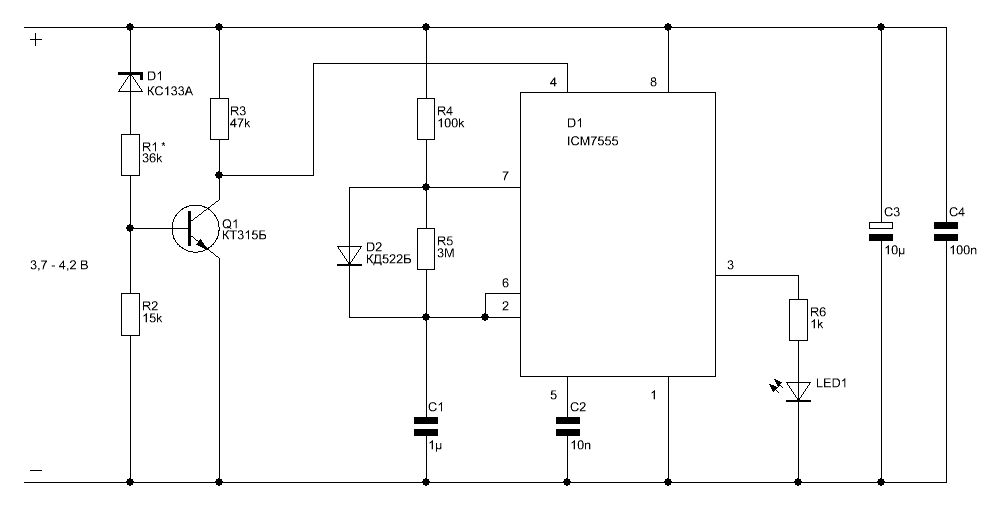
Индикатор разряда аккумулятора на ICM7555.

Микросхема ICM7555 представляет собой КМОП версию популярного таймера 555 и имеет меньший потребляемый ток. Работает в диапазоне питающих напряжений от 2В до 18В. Что делает ее удобной для устройств, требующих низкого энергопотребления. Микросхема подойдет для изготовления индикатора разряда аккумулятора. Мигающий светодиод привлекает к себе больше внимания. Короткие вспышки светодиода позволяют уменьшить энергопотребление. На транзисторе Q1 собрано пороговое устройство, запускающее генератор на микросхеме. Когда напряжение на входе схемы выше необходимого уровня, транзистор открыт и напряжение на его коллекторе близко к нулю. При понижении входного напряжения, напряжение на коллекторе транзистора увеличивается и при напряжении на коллекторе около 1В, начинает работать генератор на микросхеме. Диод D2 необходим для увеличения скважности импульсов. Светодиод светится во время зарядки конденсатора C1. Конденсатор C1 заряжается через резистор R4 и диод D2, резистор R5 незначительно влияет
Фото 1.
Фото 1.

Микросхема ICM7555 представляет собой КМОП версию популярного таймера 555 и имеет меньший потребляемый ток. Работает в диапазоне питающих напряжений от 2В до 18В. Что делает ее удобной для устройств, требующих низкого энергопотребления.

Микросхема подойдет для изготовления индикатора разряда аккумулятора. Мигающий светодиод привлекает к себе больше внимания. Короткие вспышки светодиода позволяют уменьшить энергопотребление.

Рисунок 1.
Рисунок 1.

На транзисторе Q1 собрано пороговое устройство, запускающее генератор на микросхеме. Когда напряжение на входе схемы выше необходимого уровня, транзистор открыт и напряжение на его коллекторе близко к нулю. При понижении входного напряжения, напряжение на коллекторе транзистора увеличивается и при напряжении на коллекторе около 1В, начинает работать генератор на микросхеме. Диод D2 необходим для увеличения скважности импульсов. Светодиод светится во время зарядки конденсатора C1. Конденсатор C1 заряжается через резистор R4 и диод D2, резистор R5 незначительно влияет на скорость зарядки конденсатора C1. Разряд конденсатора происходит через сопротивление R5, которое значительно больше сопротивления R4. Соотношением сопротивлений R4 и R5 можно подобрать длительность свечения светодиода и паузы между включениями светодиода.

Ток, потребляемый схемой в дежурном режиме, составляет около 0,2мА.