Этот усилитель мне что-то напоминает, а вам? JLH 1969.
Любители аудиотехники и радиолюбители часто обращаются к классическим схемам усилителей, построенным на германиевых транзисторах. Такие устройства ценятся за "тёплый", "ламповый" характер звучание.
Данная схема усилителя демонстрирует классический подход к построению усилителей на германиевых транзисторах. Она сочетает простоту конструкции с
Этот усилитель мне что-то напоминает, а вам? JLH 1969.
Любители аудиотехники и радиолюбители часто обращаются к классическим схемам усилителей, построенным на германиевых транзисторах. Такие устройства ценятся за "тёплый", "ламповый" характер звучание.
Данная схема усилителя демонстрирует классический подход к построению усилителей на германиевых транзисторах. Она сочетает простоту конструкции с
...Читать далее
Этот усилитель мне что-то напоминает, а вам? JLH 1969.
Любители аудиотехники и радиолюбители часто обращаются к классическим схемам усилителей, построенным на германиевых транзисторах. Такие устройства ценятся за "тёплый", "ламповый" характер звучание.
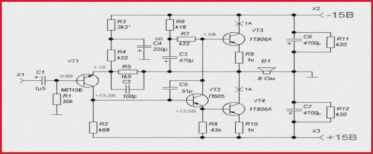
- Входной каскад (VT1, МП10Б) - отвечает за первичное усиление слабого сигнала.
- Промежуточные каскады (VT2, П605; VT3, 1Т806А; VT4, 1Т806А) - обеспечивают дальнейшее усиление и формирование сигнала.
- Выходной каскад - передаёт усиленный сигнал на нагрузку (динамик B1, 8 Ом).
- Цепи питания (+15 В, -15 В) - обеспечивают работу транзисторов.
- Фильтрующие и разделительные конденсаторы (C1-C7) — сглаживают пульсации, разделяют постоянную и переменную составляющие сигнала.
- Резисторы (R1-R12) — задают рабочие режимы транзисторов, формируют цепи обратной связи.
Основные компоненты и их роль
- Транзисторы:
- VT1 (МП10Б) - входной транзистор, задаёт начальный уровень усиления. Германиевые транзисторы типа МП отличаются низкой шумовой составляющей, но чувствительны к перегреву.
- VT2 (П605) - промежуточный каскад. П605 ценится за надёжность и стабильность работы в усилителях класса А/АВ.
- VT3, VT4 (1Т806А) - выходные транзисторы. 1Т806А - мощный германиевый транзистор, способный работать с токами до нескольких ампер. Используется в импульсных схемах и усилителях мощности.
- Конденсаторы:
- C1 (1 μФ) - разделительный, отделяет постоянную составляющую входного сигнала.
- C4 (220 пФ), C3 (470 пФ), C5 (51 пФ) - корректирующие, влияют на частотные характеристики усилителя.
- C6, C7 (4700 мкФ) - фильтрующие, сглаживают пульсации питания.
- Резисторы:
- R1 (30 кОм) - задаёт ток базы VT1.
- R2 (68 кОм), R3 (3 кОм) - формируют режим работы входного каскада.
- R8 (43 Ом), R10 (1 Ом) - токовые резисторы в выходных каскадах, помогают стабилизировать работу транзисторов.
- R11, R12 (20 кОм) - элементы цепи питания, обеспечивают стабильность напряжения.
- Динамик (B1, 8 Ом) - конечная нагрузка, преобразует электрический сигнал в звук.
Принцип работы
- Входной сигнал поступает на базу VT1 через C1.
- VT1 усиливает сигнал, который далее передаётся на VT2.
- VT2 дополнительно усиливает сигнал, подготавливая его для мощного выходного каскада.
- VT3 и VT4 работают в паре, обеспечивая высокую выходную мощность. Ток через эти транзисторы регулируется резисторами R8 и R10.
- Усиленный сигнал поступает на динамик B1 через разделительный конденсатор.
- Цепи питания (+15 В, -15 В) обеспечивают стабильную работу всех каскадов. Фильтрующие конденсаторы (C6, C7) минимизируют шумы.
Особенности схемы
- Двухполярное питание (±15 В) позволяет симметрично усиливать положительную и отрицательную полуволны сигнала.
- Использование германиевых транзисторов обеспечивает "тёплый" звук, но требует внимательного контроля температуры (рекомендуется использовать радиаторы).
- Разделение каскадов конденсаторами предотвращает передачу постоянной составляющей между этапами усиления.
- Резисторы в эмиттерах (например, R8, R10) стабилизируют работу выходных транзисторов, предотвращая их перегрев.
Рекомендации по сборке и настройке
- Подбор транзисторов: выходные транзисторы (VT3, VT4) должны быть подобраны по коэффициенту усиления (β) для симметричной работы.
- Радиаторы: мощные транзисторы (1Т806А) необходимо установить на радиаторы для отвода тепла.
- Проверка токов покоя: перед включением усилителя измерьте токи через эмиттерные резисторы (R8, R10) - они должны быть в пределах расчётных значений.
- Фильтрация питания: убедитесь в надёжности фильтрующих конденсаторов (C6, C7) - пульсации питания могут вызвать шумы в звуке.
- Настройка усиления: при необходимости скорректируйте номиналы резисторов в базовых цепях для оптимального уровня усиления.
Возможные доработки
- Замена входных транзисторов на кремниевые (например, BC550) для увеличения входного сопротивления.
- Добавление обратной связи для снижения искажений (требуется расчёт номиналов резисторов).
- Использование стабилизаторов напряжения для повышения стабильности работы.
- Модернизация питания - переход на импульсный источник для снижения габаритов и веса устройства.
Данная схема усилителя демонстрирует классический подход к построению усилителей на германиевых транзисторах. Она сочетает простоту конструкции с высоким качеством звучания, характерным для германиевой электроники. При грамотной сборке и настройке такой усилитель может стать отличным дополнением к аудиосистеме или предметом гордости для радиолюбителя.