Добавить в корзинуПозвонить
Найти в Дзене
Andrey774mag

Улучшение аудиоаппаратуры

Звук прикольный, и басы, и высокие частоты были на высоте, собирал навесными монтажом, просто отрегулировал на слух, и закрыл всё в корпусе.
Отсутствие полноценной коррекции частотной характеристики приводит к:
Для кардинального улучшения качества звучания необходимо:
Сформировать АЧХ (амплитудно-частотную характеристику) с плавным подъёмом высоких и низких частот. Реализовать корректную
Оглавление

Пробывал ставить в носимую блютуз колонку, работала от 3 v.

Звук прикольный, и басы, и высокие частоты были на высоте, собирал навесными монтажом, просто отрегулировал на слух, и закрыл всё в корпусе.

  1. Отсутствие регуляторов тембра - базовая возможность настройки звука отсутствует у большинства моделей.
  2. Наличие только одного регулятора ВЧ (высоких частот), работающего на "завал" частотной характеристики. Это приводит к:
спаду в области низких частот;
регулируемому спаду в области высоких частот;
монотонному «бубнящему» оттенку звука, сосредоточенному в среднечастотной области.
  1. Отсутствие тонкомпенсации - функции, позволяющей улучшить качество звучания при малой громкости. Существующие схемы ТКРГ (тонкомпенсированных регуляторов громкости) страдают недостатками:
  • малый диапазон коррекции по НЧ (низким частотам);
  • сужение диапазона регулировки громкости;
  • недостаточная плавность коррекции.

Последствия недостатков схемотехники

Отсутствие полноценной коррекции частотной характеристики приводит к:

  • плоскому, невыразительному звучанию из-за недостатка низких частот;
  • перегрузке УМЗЧ (усилителя мощности низкой частоты) при избытке низких частот;
  • потере детализации в высокочастотном диапазоне;
  • некомпенсированному спаду в акустике с ограниченными возможностями.

Решение: модернизация блока регулировок

Для кардинального улучшения качества звучания необходимо:

Сформировать АЧХ (амплитудно-частотную характеристику) с плавным подъёмом высоких и низких частот. Реализовать корректную тонкомпенсацию для комфортного прослушивания на низкой громкости .

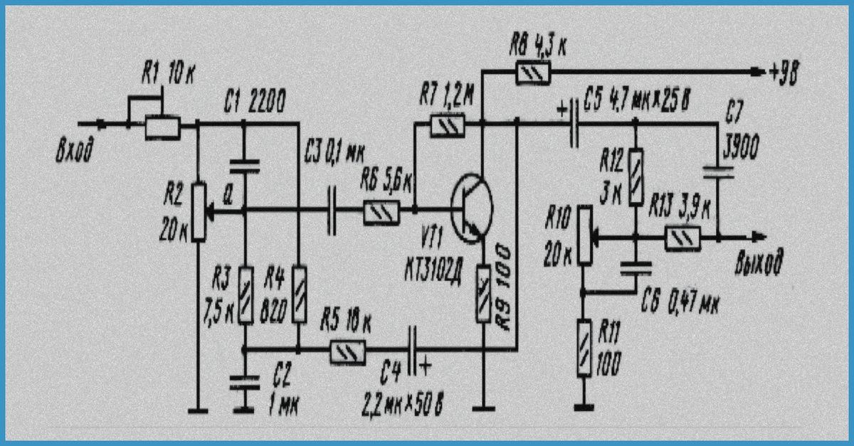
Пример успешной модернизации - блок регулировок на транзисторе КТ3102Д (схема на изображении):

Ключевые элементы схемы:

  • Входной каскад (R1, C1, R2) - обеспечивает первичную фильтрацию и согласование импеданса.
  • Усилительный каскад на VT1 (КТ3102Д) - сердце схемы, сочетающее усиление сигнала и коррекцию частотной характеристики.
  • Цепи коррекции тембра (R3-R4, C2-C4) - позволяют регулировать баланс низких и высоких частот.
  • Выходной каскад (R8-R13, C5-C7) - стабилизирует и фильтрует выходной сигнал перед подачей на УМЗЧ.

Особенности схемотехнического решения:

Тонкомпенсированный регулятор громкости (ТКРГ) на R2 с Т-образным фильтром (R3C2R4C1), понижающим уровень средних частот. Регулятор тембра НЧ на R10 - критически важен для малогабаритной аппаратуры, так как недостаток низких частот делает звучание плоским.

Частотно-зависимая обратная связь (ООС) через конденсатор C4 и резистор R5 - компенсирует излишний подъём низких частот при увеличении громкости. ФВЧ (фильтр высоких частот) с частотой среза -60 Гц - предотвращает перегрузку УМЗЧ низкими частотами, не затрагивая полезный сигнал.

Принцип работы модернизированного блока

  1. Входной сигнал проходит через фильтр R1-C1-R2, где происходит первичная коррекция.
  2. Усилительный каскад VT1 поднимает уровень сигнала, одновременно корректируя его через цепь ООС.
  3. Регулятор тембра (R10) настраивает баланс низких частот, используя регулируемый фильтр R12C6R11R13C7.
  4. Выходной сигнал проходит через дополнительные фильтры (C5-C7), обеспечивая чистоту и стабильность звучания.

Результаты модернизации

Внедрение такого блока регулировок позволяет:

устранить "телефонный" оттенок звучания;
выделить басовую партию;
добавить верхние частоты, характерные для высококачественного звуковоспроизведения;
добиться более сбалансированной АЧХ;
повысить комфорт прослушивания на низкой громкости за счёт тонкомпенсации.

Модернизация схемотехники носимой аудиоаппаратуры с помощью блока регулировок на транзисторе КТ3102Д позволяет преодолеть ключевые недостатки стандартных решений. Результатом становится значительное улучшение качества звучания - от монотонного и плоского до сбалансированного и детализированного.