Добавить в корзинуПозвонить
Найти в Дзене

Насосные станции «под ключ»: три решения от Systeme Electric

Александр Толмачев, АО «Систэм Электрик» Когда перед инженером стоит задача по модернизации существующей или сборке новой насосной станции повышения давления, приходится искать баланс между стоимостью решения и необходимым функционалом. В линейке Systeme Electric есть все необходимые компоненты для такой системы: преобразователи частоты (ПЧ) серии SystemeVar, панели оператора SystemeHMI SGU и программируемые логические контроллеры (ПЛК) серии SystemePLC S172. Часто бывает, что необходимо не только оборудование, а готовое решение, которое можно интегрировать в свой проект. Systeme Electric предоставляет решения по одному из трех сценариев, каждый из которых закрывает определенный спектр задач – от базовых бюджетных установок до сложных промышленных систем с перспективой расширения. Первое решение, пожалуй, самое доступное. Оно строится вокруг одного из частотного преобразователей: STV050, STV600 или STV630, который управляет сразу несколькими насосами, подключая и отключая их по очереди
Оглавление

Александр Толмачев, АО «Систэм Электрик»

Когда перед инженером стоит задача по модернизации существующей или сборке новой насосной станции повышения давления, приходится искать баланс между стоимостью решения и необходимым функционалом. В линейке Systeme Electric есть все необходимые компоненты для такой системы: преобразователи частоты (ПЧ) серии SystemeVar, панели оператора SystemeHMI SGU и программируемые логические контроллеры (ПЛК) серии SystemePLC S172.

Часто бывает, что необходимо не только оборудование, а готовое решение, которое можно интегрировать в свой проект. Systeme Electric предоставляет решения по одному из трех сценариев, каждый из которых закрывает определенный спектр задач – от базовых бюджетных установок до сложных промышленных систем с перспективой расширения.

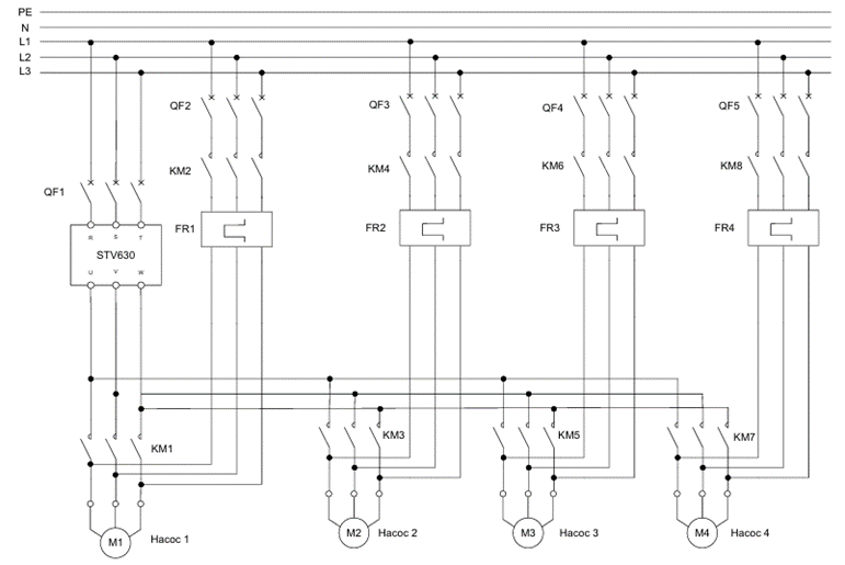
Управления наcоcной станцией с помощью частотного преобразователя

Первое решение, пожалуй, самое доступное. Оно строится вокруг одного из частотного преобразователей: STV050, STV600 или STV630, который управляет сразу несколькими насосами, подключая и отключая их по очереди. Главные преимущества этого решения:

  1. бюджетность – поскольку не требуется покупать ни панель оператора, ни контроллер;
  2. не требуется навыков программирования – только настройка параметров частотного преобразователя;
  3. быстрая реализация проекта – на сайте компании есть готовое руководство со схемой, что делает сборку и ввод в работу станции максимально простой.

Однако важно понимать особенности такого подхода. Логика работы данной насосной станции определяется встроенным программным обеспечением ПЧ и не подлежит изменению. Доступна только настройка функций ПЧ. Так что это скорее вариант для небольших установок, где бюджет очень ограничен, а предоставляемый функционал удовлетворяет заказчика.

С функционалом каждого решения можно ознакомиться в сравнительной таблице в конце статьи.

Принципиальная схемы насосной станции четырьмя насосами
Принципиальная схемы насосной станции четырьмя насосами

Управления наcоcной станцией с помощью частотных преобразователей и панели оператора

Второе решение предлагает более широкие возможности за счет добавления панели оператора. Здесь под каждый насос уже устанавливается отдельный частотный преобразователь, а управляет всей станцией панель оператора SystemeHMI SGU, которая берет на себя функции как человеко-машинного интерфейса, так и контроллера работы станции.

Фактически это готовый продукт, для которого предоставляется:

  1. комплекты чертежей под разное количество насосов (2-4);
  2. руководство по вводу в работу и эксплуатации;
  3. готовое программное обеспечение для панели оператора, реализующее управление, мониторинг и сбор статистики насосной станции.

Пользователь получает резервирование насосов, возможность работы по расписанию, мониторинга текущих параметров, сбор статистики по каждому насосу, обработку внешних сигналов вроде пожарной тревоги – и все это без написания кода.

Тем не менее и здесь есть свои рамки: система рассчитана на подключение не более четырех насосов и отсутствует возможность дальнейшего масштабирования и расширения функционала станции. Если в будущем потребуется добавить, например, дополнительный датчик давления или управлять задвижкой, сделать это без основательной переделки щита уже не получится.

Структурная схемы насосной станции с четырьмя насосами
Структурная схемы насосной станции с четырьмя насосами
Возможности решения
Возможности решения
Мнемокадр проекта
Мнемокадр проекта

Управления наcоcной станцией с помощью частотных преобразователей и программируемого логического контроллера

Третье решение – наиболее сбалансированное с точки зрения функциональности и гибкости. Оно предполагает использование связки программируемого логического контроллера и частотного преобразователя, где в роли управляющего центра выступает SystemePLC S172. Именно этот вариант мы рекомендуем для тех, кому необходимо возможность изменения функционала станции и масштабирование системы. В отличие от предустановленной логики панели оператора или решения на базе ПЧ, ПЛК позволяет выйти за рамки предложенных стандартных схем, увеличить количество насосов, подключаемых устройств, датчиков и сигналов. В отличии от предыдущих конфигураций, решения на базе ПЛК будут предоставляться с открытым исходным кодом, что позволит интегратору изменять логику работы системы, адаптировать ее под нестандартные схемы и особые требования заказчика.

Особого внимания заслуживает среда разработки данного ПЛК. Контроллеры SystemePLC S172 и интеллектуальное реле SystemePLC SR2, программируются в единой бесплатной среде разработки SystemePLC Studio. Это важное преимущество, поскольку код, написанный для одного контроллера, без каких-либо усилий переносится на другой при необходимости изменения состава проекта.

Для удобства разработчика предоставляется два популярных языка программирования АСУ ТП с помощью графических языков программирования – LD и CFC (в перспективе появится язык ST), режимы симуляции и отладки, возможность разрабатывать пользовательские экраны для встроенного дисплея ПЛК.

Важно понимать, что даже в рамках решения «ПЧ + ПЛК» компания делает ставку на комплексное предложение. Использование частотных преобразователей, панелей оператора и контроллеров одного вендора облегчает разработку и ввод в работу системы.

Все устройства по умолчанию поддерживают протокол Modbus RTU, поэтому любой из трех вариантов можно без проблем интегрировать в SCADA-систему для удаленного мониторинга.

Выводы

Используя оборудования Systeme Electric, партнер имеет несколько архитектурных решений, различающихся функционалом, бюджетом и возможностью изменения и масштабирования. Выбор конфигурации зависит от конкретной задачи и финансовых возможностей заказчика.

Сравнительная таблица конфигураций автоматики насосной станции повышения давления

-6

Оригинал статьи на сайте Systeme Electric: https://systeme.ru/news/nasosnie-stantsii-pod-klyuch-tri-resheniya-ot-systeme-electric

Если вас интересуют новости Автоматизации, и вы хотите быть в курсе всех новых интересных и полезных статей и видео, подписывайтесь на наш канал Systeme Electric: Автоматизация в Telegram и MAX.