Добавить в корзинуПозвонить
Найти в Дзене

Высокотемпературные оптические трансиверы Cruetech

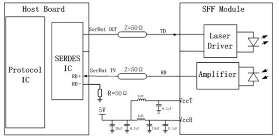
Оптические трансиверы российской торговой марки Cruetech серии DTABTP9 созданы для применения в приложениях с высокими температурными нагрузками, такими как глубокое бурение и высокое тепловыделение смежных элементов системы. Данные оптические приемопередатчики способны выдерживать до +190 °С. Основные параметры оптических трансиверов серии DTABTP9: Рекомендуемая схема: Внешний вид модели представлен на изображении ниже:

Оптические трансиверы российской торговой марки Cruetech серии DTABTP9 созданы для применения в приложениях с высокими температурными нагрузками, такими как глубокое бурение и высокое тепловыделение смежных элементов системы. Данные оптические приемопередатчики способны выдерживать до +190 °С.

Основные параметры оптических трансиверов серии DTABTP9:

  • 1×10 корпус для монтажа на плату
  • скорость передачи данных: DC ~ 2 Мбит/c и 10 M ~ 1,25 Гбит/c
  • дальность передачи: до 10 км
  • LVTTL интерфейс
  • питание: 3,3 В
  • способ подключения: FC/LC/SC или pigtail
  • температурный рабочий режим: от -20 до +190 °C

Рекомендуемая схема:

Схема
Схема

Внешний вид модели представлен на изображении ниже:

Высокотемпературные оптические трансиверы Cruetech
Высокотемпературные оптические трансиверы Cruetech