Добавить в корзинуПозвонить
Найти в Дзене
ПОСовик на 100%

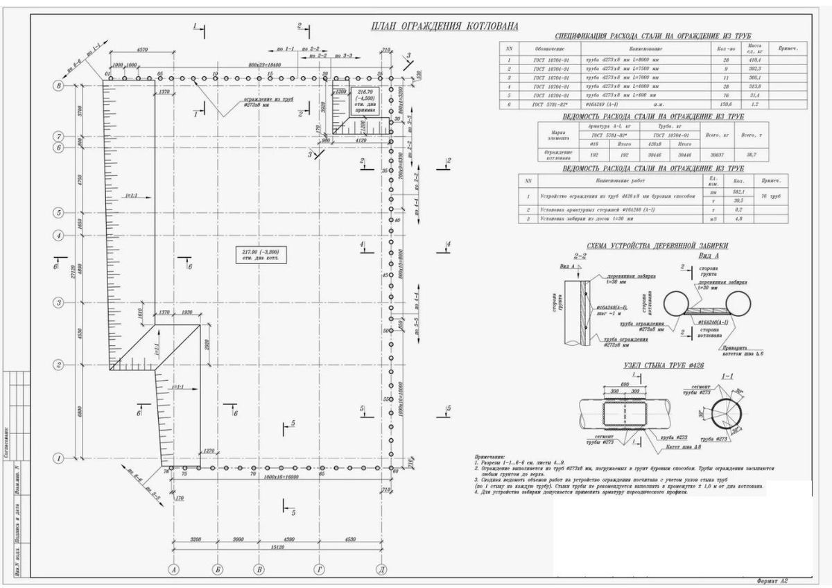
❓ Кто разрабатывает конструкции крепления котлована, разработчик раздела ПОС или КР

➡️ В соответствии с СП 22.13330.2016 п. 9.2 проектирование оснований подземных частей сооружений включает помимо требований 5.1.3 обоснованный выбор: - глубины заложения подземных конструкций; - способа устройства подземных конструкций (в открытом котловане, полузакрытый "сверхувниз", опускной колодец, в насыпи и др.); - заложения откосов неподкрепленных котлованов; - типа, конструкции, материала ограждений котлованов и их креплений; - мероприятий, применяемых для снижения влияния строительства на деформации оснований, фундаментов и надземных конструкций сооружений и инженерных коммуникаций окружающей застройки; - мероприятий, применяемых для минимизации изменений гидрогеологических условий или предотвращения вызванных этим возможных негативных последствий, в т.ч. для окружающей застройки и экологической среды. ➡️ В соответствии с СП 22.13330.2016 п. 9.12 расчеты и проверки оснований подземных частей сооружений по первой и второй группам предельных состояний должны выполняться в соотве

❓ Кто разрабатывает конструкции крепления котлована, разработчик раздела ПОС или КР

➡️ В соответствии с СП 22.13330.2016 п. 9.2 проектирование оснований подземных частей сооружений включает помимо требований 5.1.3 обоснованный выбор:

- глубины заложения подземных конструкций;

- способа устройства подземных конструкций (в открытом котловане, полузакрытый "сверхувниз", опускной колодец, в насыпи и др.);

- заложения откосов неподкрепленных котлованов;

- типа, конструкции, материала ограждений котлованов и их креплений;

- мероприятий, применяемых для снижения влияния строительства на деформации оснований, фундаментов и надземных конструкций сооружений и инженерных коммуникаций окружающей застройки;

- мероприятий, применяемых для минимизации изменений гидрогеологических условий или предотвращения вызванных этим возможных негативных последствий, в т.ч. для окружающей застройки и экологической среды.

➡️ В соответствии с СП 22.13330.2016 п. 9.12 расчеты и проверки оснований подземных частей сооружений по первой и второй группам предельных состояний должны выполняться в соответствии с требованиями раздела 5 и включать определения:

- устойчивости склонов, примыкающих к сооружению, откосов и ограждающих конструкций котлованов;

- нагрузок, передающихся на ограждающие конструкции котлованов и наружные стены подземных частей сооружений;

- усилий в конструкциях ограждения котлованов от температурно-климатических воздействий;

- деформаций оснований окружающей застройки.