Добавить в корзинуПозвонить
Найти в Дзене
Старые схемы...

D – триггер на микросхеме К561ТВ1.

Микросхема содержит два JK – триггера. Такие триггеры редко используются. При желании эту микросхему можно использовать в качестве D – триггера. На рисунке показано включение микросхемы в качестве D – триггера. На рисунке показан классический выключатель с одной кнопкой, собранный на этой микросхеме. На элементах R1, R2, C3 собрана цепочка для подавления дребезга контактов. При нажатии на кнопку происходит зарядка конденсатора C3, через замкнутую кнопку и резистор R2. На входе микросхемы появляется сигнал, соответствующий единице, что вызывает изменение состояния выхода микросхемы. Емкость конденсатора очень маленькая, поэтому он очень быстро заряжается. Из-за того, что конденсатор заряжен, дребезг контактов кнопки не вызывает появления сигнала на входе микросхемы, достаточного для ее переключения. После отпускания кнопки, конденсатор медленно разряжается через сопротивления R1, R2. Сопротивление R1 значительно больше сопротивления R2. Собранный макет.
Фото 1.
Фото 1.

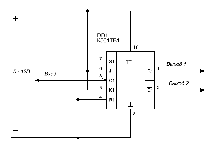
Микросхема содержит два JK – триггера. Такие триггеры редко используются. При желании эту микросхему можно использовать в качестве D – триггера.

Рисунок 1.
Рисунок 1.

На рисунке показано включение микросхемы в качестве D – триггера.

Рисунок 2.
Рисунок 2.

На рисунке показан классический выключатель с одной кнопкой, собранный на этой микросхеме. На элементах R1, R2, C3 собрана цепочка для подавления дребезга контактов.

Рисунок 3.
Рисунок 3.

При нажатии на кнопку происходит зарядка конденсатора C3, через замкнутую кнопку и резистор R2. На входе микросхемы появляется сигнал, соответствующий единице, что вызывает изменение состояния выхода микросхемы. Емкость конденсатора очень маленькая, поэтому он очень быстро заряжается. Из-за того, что конденсатор заряжен, дребезг контактов кнопки не вызывает появления сигнала на входе микросхемы, достаточного для ее переключения.

Рисунок 4.
Рисунок 4.

После отпускания кнопки, конденсатор медленно разряжается через сопротивления R1, R2. Сопротивление R1 значительно больше сопротивления R2.

Фото 2.
Фото 2.

Собранный макет.