Добавить в корзинуПозвонить
Найти в Дзене
АМТинжиниринг завод

Линии для производства полок и панелей торговых стеллажей и систем

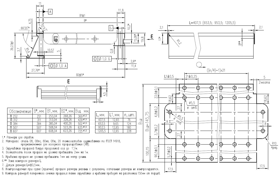
С целью расширения вашего производства дополнительной гаммой выпускаемых изделий предлагаем к поставке и внедрению на вашем производстве комплекса оборудования ООО «Инженерный центр «АМТинжиниринг» для производства элементов торговых стеллажных систем. Преимущества работы с нашей компанией 1. Собственное проектирование и производство; 2. Сервисная поддержка не менее 15 лет; 3. Конструктив для промышленной эксплуатации при 2-3 сменной работе. Полка стеллажная (под установку ценников): Габариты длины/ширина, мм: 407,5; 653,5; 953,5; 1205,5 / 267; 328; 400; 523; 623 (возможны другие размеры вариантов исполнения) Линия должна обеспечивать производство заготовок панелей в соответствии с чертежом и включать в себя следующие основные узлы: 1. Рулоноразматыватель 2. Подкатная тележка 3. Пресс-блок 4. Машина профилирующая 5. Пресс гибочно-отрезной 6. Гидрооборудование 7. Пневмообрудование 8. Электрооборудование 9. Комплект ЗИП Полка стеновая (с крючками): Габариты длины/ширина, мм:

С целью расширения вашего производства дополнительной гаммой выпускаемых изделий предлагаем к поставке и внедрению на вашем производстве комплекса оборудования ООО «Инженерный центр «АМТинжиниринг» для производства элементов торговых стеллажных систем.

Преимущества работы с нашей компанией

1. Собственное проектирование и производство;

2. Сервисная поддержка не менее 15 лет;

3. Конструктив для промышленной эксплуатации при 2-3 сменной работе.

Полка стеллажная (под установку ценников):

Габариты длины/ширина, мм: 407,5; 653,5; 953,5; 1205,5 / 267; 328; 400; 523; 623 (возможны другие размеры вариантов исполнения)

-2

Линия должна обеспечивать производство заготовок панелей в соответствии с чертежом и включать в себя следующие основные узлы:

Линия профилирующая панелей ЛПП800
Линия профилирующая панелей ЛПП800

1. Рулоноразматыватель

2. Подкатная тележка

3. Пресс-блок

4. Машина профилирующая

5. Пресс гибочно-отрезной

6. Гидрооборудование

7. Пневмообрудование

8. Электрооборудование

9. Комплект ЗИП

Полка стеновая (с крючками):

-4

Габариты длины/ширина, мм: 404; 656; 950; 1202 / 248,5; 398,5 (возможны другие вариантов исполнения)

-5
-6

Линия должна обеспечивать производство заготовок панелей в соответствии с чертежом и включать в себя следующие основные узлы:

Линия профилирующая панелей ЛПП500
Линия профилирующая панелей ЛПП500

1. Рулоноразматыватель

2. Пресс-блок

3. Машина профилирующая

4. Пресс гибочно-отрезной

5. Гидрооборудование

6. Пневмообрудование

7. Электрооборудование

8. Комплект ЗИП

-8

Оборудование в данном исполнении проектировалось и изготавливалось. В случае заинтересованности в оборудовании для изготовления стеллажных полок ждём ваших запросов. Мы можем предложить исполнение оборудование подходящее под ваши задачи и сроки поставки.

t. +375-17-500-31-13

f. +375-17-500-31-32

+375255001523 (Viber, Whatsapp, МАКС)

amtengine@amtengine.com