Добавить в корзинуПозвонить
Найти в Дзене
Эксперт+

Ранты – Глитчи – Осциллограф

Вы думаете, что это текст в стиле фильма «Карты, Деньги, Два ствола»? И фраза нами выдумана исключительно для созвучия? О нет! Это очень
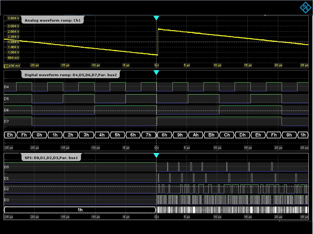
интересные «явления» при работе с осциллографом, изучить которые точно стоит, если вы связаны с радиотехникой или измерениями. Пожалуй, стоит начать с определений, привести пример и завершить пост тем, как проходят обучение студенты в радиотехнических ВУЗах при настройке синхронизации запуска. Ранты — линейные изменения напряжения или тока, происходящие плавно и
равномерно. Например, если подать сигнал постоянного напряжения на
аналоговый осциллограф и постепенно увеличивать напряжение, график
покажет ровную линию, поднимающуюся вверх или опускающуюся вниз в
зависимости от направления изменения сигнала. Ранты используются для
тестирования характеристик электронных компонентов и схем, таких как
генераторы сигналов, фильтры и усилители. Глитчи — это кратковременные всплески или помехи в сигналах, которые возникают внезапно и быстро исчезают.
Оглавление

Вы думаете, что это текст в стиле фильма «Карты, Деньги, Два ствола»? И фраза нами выдумана исключительно для созвучия? О нет! Это очень
интересные «явления» при работе с осциллографом, изучить которые точно стоит, если вы связаны с радиотехникой или измерениями. Пожалуй, стоит начать с определений, привести пример и завершить пост тем, как проходят обучение студенты в радиотехнических ВУЗах при настройке синхронизации запуска.

Ранты (Ramps)

Ранты — линейные изменения напряжения или тока, происходящие плавно и
равномерно. Например, если подать сигнал постоянного напряжения на
аналоговый осциллограф и постепенно увеличивать напряжение, график
покажет ровную линию, поднимающуюся вверх или опускающуюся вниз в
зависимости от направления изменения сигнала. Ранты используются для
тестирования характеристик электронных компонентов и схем, таких как
генераторы сигналов, фильтры и усилители.

-2

Глитчи (Glitches)

Глитчи — это кратковременные всплески или помехи в сигналах, которые возникают внезапно и быстро исчезают. Они могут быть вызваны различными
факторами, такими как электромагнитные наводки, сбои питания или
неисправности оборудования. Глитчи часто проявляются на экране
осциллографа в виде коротких импульсов или шума, нарушающих гладкость
основного сигнала.

-3

Поиск аномалий: параллель с автомобильной диагностикой

Фактически, речь идет о поиске аномалий в сигнале. Проводя параллели с
автомобильной тематикой, поиск «плавающей» неисправности – самый сложный для автоэлектриков. Вот когда «все точно сломалось» — тогда они рады вам помочь с диагностикой и лечением, а до тех пор – бесконечные поездки от сервиса к сервису и трата ваших ресурсов на очередную версию
поломки, переложенная на кривые руки или уровень IQ предыдущих мастеров…

Как захватить аномалию сигнала

Обнаружение и захват аномалии сигнала является при разработке и тестировании нового изделия одной из самых сложных задач. Бесконечная замена компонентной базы, материала плат, соединителей, проводов, разъемов, влияние пайки и взаимная наводка. Это приводит почти всегда к тому, что в процессе анализа целостности сигнала на плате вы можете наблюдать отображение слабых импульсов на осциллограмме, которые указывают на наличие редких событий, не похожих на цифровые сигналы, и не можете понять, что генерирует этот сигнал.

Иногда использование на осциллографе дисплея с интенсивной градацией цветов помогает выявить редкие аномалии сигнала, но они исчезают с экрана
раньше, чем вы успеваете их измерить. Для обнаружения аномалий сигнала
во время проектирования и определения частоты их появления, рекомендуем
использовать осциллограф с широкоформатным цветным дисплеем с режимом
быстрого сбора данных.

Режим быстрого сбора данных позволяет захватывать до 280 000 и более
осциллограмм в секунду, чего достаточно для захвата любых аномалий.
Температурная палитра использует цветовое кодирование для индикации
часто появляющихся событий с помощью теплых цветов (красный и желтый) и
редко появляющихся событий – с помощью холодных цветов (синий и
зеленый). В этом цифровом сигнале напряжением 3.3 В вы сможете увидеть
редкие кратковременные импульсы и глитчи. А в синем цвете также
отображаются низкоамплитудные кратковременные импульсы напряжением 1В.

Аналогичным шагом является использование быстрого запуска для изолирования и захвата каждого кратковременного импульса.

-4

Примеры режимов синхронизации для осциллографа

Эти режимы используются для обучения начинающих радиоинженеров.

1. Синхронизация по фронту

В режиме синхронизации по фронту осциллограф проводит измерения и анализ
максимального и минимального уровней сигнала. Это позволяет определить
диапазон амплитуд сигнала. В последующем, при синхронизации по фронту,
будут задаваться уровни синхронизации выше и ниже, чем измеренные. Это
позволяет регистрировать сигналы с уровнями выше, чем у сигнала, или
наличие в сигнале аномальной постоянной составляющей.

2. Синхронизация по ранту

Производится настройка на выявление сигналов с уровнем меньшим, чем в «нормальном» сигнале. Синхронизация по фронту позволяет фиксировать только сигналы с уровнем, превышающим заданное значение. Алгоритм синхронизации по ранту, наоборот, позволяет производить запуск развёртки только по сигналам, имеющим меньший уровень, чем заданный. При синхронизации по ранту уже имеет значение полярность сигнала и длительность сигнала.

3. Синхронизация по длительности

Здесь, помимо измерения длительности сигнала (как положительного, так и
отрицательного), можно оценить форму сигнала. Очевидно, что при
одинаковой частоте как прямоугольного, так и синусоидального сигнала
измерение длительности на 50% уровне даст один и тот же результат. Но
измерение длительности на уровне, отличном от 50%-го, для прямоугольного
и синусоидального сигнала уже даст различные значения.

4. Синхронизация по интервалу

Производятся измерения интервала на уровнях 25%, 50% и 75% от амплитуды при положительной и отрицательной полярности сигнала. По сути, интервал –
это период повторения сигнала. При сложной форме сигнала, содержащей
несколько явных периодических повторений в своей структуре, но не
определяющих основной период сигнала, одних только измерений периода на
уровне 50% может оказаться недостаточно. Это широко известно из практики
использования универсальных частотомеров при измерении периодов сложных
сигналов, когда частотомер ложно «захватывает» более высокие частоты и
результат оказывается недостоверным. Для увеличения достоверности
измерений, осциллографы используют алгоритм измерения периода на трёх
уровнях.

5. Синхронизация по глитчу

Глитч – как давали определение ранее, это кратковременная импульсная помеха, способная значительно осложнить отладку радиотехнических устройств.
Поскольку этот вид помехи не присутствует в структуре чистого сигнала,
то измерить его параметры и настроить систему запуска невозможно. Но
возможно, основываясь на предыдущих результатах измерений длительности и
временного интервала, предположить, сигналы с какими параметрами будут
являться кратковременными помехами.

Учим мат часть! Повышаем точность и уменьшаем Кш!

С уважением, команда Эксперт+
Телефон: 8 (800) 200-02-66
E-mail: info@dipaul.ru

Следите за нашими публикациями!