Найти в Дзене
Andrey774mag

Усилитель лампа транзистор

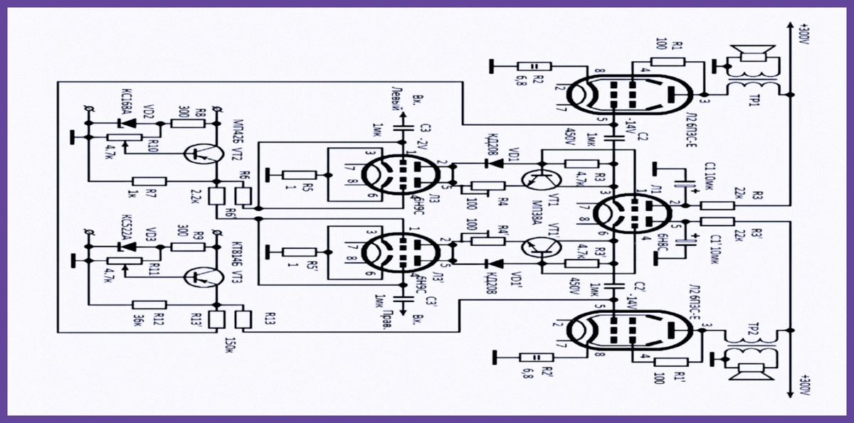
На представленной схеме изображён двухканальный УНЧ. Ключевая особенность конструкции - сочетание ламповых и транзисторных элементов, что позволяет достичь оптимального баланса между качеством звука и стабильностью работы.
Входной сигнал поступает на предварительный каскад на лампе 6Н8С (Л1), где происходит первичное усиление. Каскад раскачки на лампе 6Н9С (Л3) дополнительно усиливает сигнал,
Оглавление

Чё
Чё

На представленной схеме изображён двухканальный УНЧ. Ключевая особенность конструкции - сочетание ламповых и транзисторных элементов, что позволяет достичь оптимального баланса между качеством звука и стабильностью работы.

  • Лампы: Л2 6П3С-Е (выходная лампа), Л1 6Н8С (предварительный каскад), Л3 6Н9С (каскад раскачки). Лампы обеспечивают характерный «ламповый» звук с мягкими искажениями.
  • Транзисторы: МП42Б (VT2) и КТ814Б (VT3) используются в стабилизаторах напряжения для создания фиксированного смещения на сетках ламп. Это повышает стабильность работы усилителя.
  • Диоды: КД208 (VD1, VD1’) обеспечивают выпрямление и стабилизацию питания.
  • Резисторы и конденсаторы: формируют цепи смещения, фильтрации и связи между каскадами.
  • Трансформаторы (TP1, TP2): обеспечивают согласование импедансов и передачу сигнала на акустические системы.

Входной сигнал поступает на предварительный каскад на лампе 6Н8С (Л1), где происходит первичное усиление. Каскад раскачки на лампе 6Н9С (Л3) дополнительно усиливает сигнал, подготавливая его для выходного каскада.

Выходной каскад на лампе 6П3С-Е (Л2) обеспечивает основное усиление по мощности, подавая сигнал на трансформаторы TP1 и TP2. Стабилизаторы на транзисторах (VT2, VT3) поддерживают фиксированное смещение на сетках ламп, что критически важно для стабильности работы и минимизации искажений.

Ключевые особенности схемы

  1. Двухканальная структура позволяет использовать усилитель для стереозвучания, что делает его подходящим для домашних аудиосистем.
  2. Стабилизация смещения на сетках ламп с помощью транзисторных стабилизаторов (VT2, VT3) - ключевая особенность, отличающая от многих других ламповых усилителей. Это решение позволяет:
снизить уровень фона и искажений;
повысить стабильность работы при колебаниях питающего напряжения;
упростить настройку усилителя.
  1. Использование межкаскадных конденсаторов (например, плёночных 1 мкФ на 450 В) позволяет гибко настраивать звучание, подбирая компоненты "на слух".
  2. Раздельное питание каналов (с отдельными цепями смещения и раскачки) минимизирует взаимное влияние каналов, улучшая стереоэффект.
  3. Высокое анодное напряжение (+300 В) обеспечивает большую выходную мощность и динамический диапазон, характерный для ламповых усилителей.

Питание: рекомендуется использовать стабилизированное питание для анодов ламп, чтобы минимизировать пульсации и шумы. Резисторы: большинство резисторов должны быть типа МЛТ мощностью 0,5 Вт. Исключения - R2 (R2) мощностью 2 Вт и R3 (R3), которые собираются из двух параллельно соединённых резисторов 47 кОм (5 Вт). Лампы: для достижения оптимального звучания рекомендуется использовать по одной лампе Л3 (Л3) на канал. Настройка смещения: критически важна для достижения минимального уровня искажений и защиты ламп. Смещение настраивается с помощью стабилизаторов на транзисторах VT2 и VT3.

Преимущества:

  • мягкое, "бархатное" звучание с минимальными искажениями;
  • простота конструкции по сравнению с другими ламповыми усилителями;
  • возможность настройки звучания путём подбора межкаскадных конденсаторов;
  • стабильность работы благодаря транзисторным стабилизаторам смещения.

Недостатки:

  • высокое анодное напряжение требует осторожности при сборке и настройке;
  • относительно высокая стоимость ламп и качественных комплектующих;
  • необходимость тщательной настройки смещения для каждой лампы.

Этот усилитель отличный выбор для тех, кто хочет познакомиться с миром ламповой аудиотехники. Сочетание простоты схемы, доступности компонентов и характерного звука делает этот усилитель популярным среди радиолюбителей. При грамотной сборке и настройке способен порадовать даже взыскательных аудиофилов качеством воспроизведения музыки. Если вы увлечены ретро-электроникой или стремитесь создать аудиосистему с уникальным характером - эта схема заслуживает вашего внимания.