Найти в Дзене

Последовательное подключение резисторов.

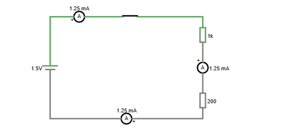
Если в электрической цепи подключить друг за другом несколько деталей, у каждой из которых имеется сопротивление, например, это будут резисторы, то общее сопротивление такой цепи увеличится, так как заряженным частицам придётся последовательно преодолевать одно за другим эти сопротивления. Если напряжение источника питания не изменится, то ток в такой цепи упадёт, однако он всё равно будет по величине одинаковым в какой бы точке цепи его не измерили. Чтобы узнать, насколько увеличится общее сопротивление нагрузки, необходимо сложить сопротивления всех отдельно взятых сопротивлений. Представим пример. Здесь в любой точке цепи установился ток 1,25A. Когда нагрузкой был только один резистор на 1000 Om, напомню, ток был 1,5mA. То есть ток в цепи действительно уменьшился. Дело в том, что сейчас сопротивление нагрузки стало больше на 200 Om. 1000 Om + 200 Om = 1200 Om Согласно закону Ома, ток будет равен I = U/R = 1,5 V / 1200 Om = 0,00125 A Или, если умножить результат на 1000, чтобы посчи

Если в электрической цепи подключить друг за другом несколько деталей, у каждой из которых имеется сопротивление, например, это будут резисторы, то общее сопротивление такой цепи увеличится, так как заряженным частицам придётся последовательно преодолевать одно за другим эти сопротивления. Если напряжение источника питания не изменится, то ток в такой цепи упадёт, однако он всё равно будет по величине одинаковым в какой бы точке цепи его не измерили. Чтобы узнать, насколько увеличится общее сопротивление нагрузки, необходимо сложить сопротивления всех отдельно взятых сопротивлений. Представим пример.

Рисунок сделан с помощью https://falstad.com/circuit/
Рисунок сделан с помощью https://falstad.com/circuit/

Здесь в любой точке цепи установился ток 1,25A. Когда нагрузкой был только один резистор на 1000 Om, напомню, ток был 1,5mA. То есть ток в цепи действительно уменьшился. Дело в том, что сейчас сопротивление нагрузки стало больше на 200 Om.

1000 Om + 200 Om = 1200 Om

Согласно закону Ома, ток будет равен I = U/R = 1,5 V / 1200 Om = 0,00125 A

Рисунок сделан средствами операционной системы
Рисунок сделан средствами операционной системы

Или, если умножить результат на 1000, чтобы посчитать в более удобных единицах, получим как раз 1,25 mA.

Итак, симуляция и расчёты совпали!

С помощью закона Ома можно вычислять не только ток, но и напряжение, которое приводит к такому току через участок цепи, зная ток и сопротивление этого участка U = I * R

Можно так же узнать сопротивление этого участка, зная напряжение которое к нему прикладывается, и ток, который по нему протекает R = U / I

Ну и действительно, если например, 3 = 6 / 2, то 6 = 3 * 2 и 2 = 6 / 3.

Вот только здесь важно понимать, что изменяя сопротивление участка цепи, можно поменять ток через этот участок, а наоборот не получится. Так же ток зависит от напряжения, а не наоборот. Эти формулы нужны, чтобы зная две фактические величины вычислить третью. Например, мы знаем ток и сопротивление, но не знаем напряжение. Легко выяснить. Нам эти формулы понадобятся, чтобы выяснить что такое ПАДЕНИЕ НАПРЯЖЕНИЯ. Это очень важное понятие, которое используется в электронике. Оказывается, в приведённой выше цепи, напряжение источника питания будет неравномерно распределяться на резисторах нагрузки, в соответствии с сопротивлением этих резисторов. На верхнем резисторе напряжение упадёт

U = I * R = 0,00125 A * 1000 Om = 1,25 V

Ну и действительно, общий ток известен, он равен 1,25 mA , сопротивление этого участка известно, оно равно 1000 Om. Осталось только подставить в формулу известное, чтобы рассчитать неизвестное – это падение напряжения на верхнем резисторе.

Так, стоп! С источника на схему подаётся 1,5 V это видно из рисунка, 1,25 V падает на верхнем резистроре, где остальные 0,25 V ?

Логично предположить, что именно такое напряжение и будет падать на нижнем резисторе. Проверим расчётом

U = I * R = 0,00125 A * 200 = 0,25 V

Рисунок сделан средствами операционной системы
Рисунок сделан средствами операционной системы

Расчёт полностью подтверждает предположение!

То есть сумма падений напряжений на отдельных резисторах, будет равна общему напряжению!

А давайте убедимся в этом на симуляции

Рисунок сделан с помощью https://falstad.com/circuit/
Рисунок сделан с помощью https://falstad.com/circuit/

Ну, нижний вольтметр почему-то немного врёт, но и в реальности, реальный мультиметр всегда вам покажет лишь приблизительное значение. Да ещё оно и немного плясать может, то чуть больше, то чуть меньше. Но в целом, расчётам соответствует!

Обратите внимание, как я подключила вольтметры! Вольтметр всегда подключается параллельно к той цепи, на которой мы хочем измерить падение напряжения! Вы скажете, но ведь теперь ток будет разветвляться, часть его побежит не через резистор, а через параллельно подключенный вольтметр, и результат исказится. Вы будете при этом правы! Чтобы результат сильно не искажался, сопротивление вольтметров делают ОЧЕНЬ БОЛЬШИМ (особенно если этот вольтметр хороший по характеристикам и дорогой соответственно). В результате, ток ПОЧТИ не ответвляется и показания прибора почти соответствуют истине.

Но это стоит знать! У хорошего амперметра, сопротивление стремится к нулю, а у хорошего вольтметра, сопротивление стремится к бесконечнсти. И если перепутать, вместо вольтметра, подключить амперметр, то можно вызвать короткое замыкание этим амперметром нечаянно подключенным. Это может привести к выгоранию прибора и самой схемы!

Однако в симуляции это всё-таки сделать даже интересно! А вдруг у них там сервер сдохнет (да шучу, шучу...)??? Но нет…

Рисунок сделан с помощью https://falstad.com/circuit/
Рисунок сделан с помощью https://falstad.com/circuit/

Этот финт ушами они там предусмотрели!

А вот если в эту же схему поставить вольтметр

Рисунок сделан с помощью https://falstad.com/circuit/
Рисунок сделан с помощью https://falstad.com/circuit/

Так работает!

Кстати заметьте падения напряжений на этих резисторах нагрузки, распределяются между собой пропорционально отношению сопротивлений

1000 Om / 200 Om = 5 = 1,25 V / 0,25 V

Если понравилось, ставьте лайки, подписывайтесь! Мой email для связи anastasialoposova@yandex.ru