Добавить в корзинуПозвонить
Найти в Дзене

Устройство плавного пуска или преобразователь частоты – что выбрать?

Андрей Прибора, АО «Систэм Электрик» Прямой пуск механизмов от сети при помощи контакторов либо при использовании схем с переключением обмоток звезда/треугольник требует большой мощности сети, либо иногда вообще невозможен. Устройства плавного пуска и преобразователи частоты могут использоваться для снижения пусковых токов и ограничения крутящего момента, защищая оборудование и продлевая срок службы двигателя за счет снижения его нагрева, вызванного частыми пусками и остановками. Выбор между устройством плавного пуска и преобразователем частоты зависит от механизма, условий применения, требований к системе и стоимости. В данном документе анализируются различные аспекты, которые необходимо учитывать при выборе устройства для пуска и торможения различных механизмов. Устройство плавного пуска (УПП) — это полупроводниковое устройство, которое обеспечивает плавный пуск до номинальной скорости, а также плавный останов механизма, если это требуется. УПП ограничивает пусковой ток, снижая требо
Оглавление

Инженерная коллекция: практические советы экспертов

Андрей Прибора, АО «Систэм Электрик»

Обзор

Прямой пуск механизмов от сети при помощи контакторов либо при использовании схем с переключением обмоток звезда/треугольник требует большой мощности сети, либо иногда вообще невозможен. Устройства плавного пуска и преобразователи частоты могут использоваться для снижения пусковых токов и ограничения крутящего момента, защищая оборудование и продлевая срок службы двигателя за счет снижения его нагрева, вызванного частыми пусками и остановками. Выбор между устройством плавного пуска и преобразователем частоты зависит от механизма, условий применения, требований к системе и стоимости. В данном документе анализируются различные аспекты, которые необходимо учитывать при выборе устройства для пуска и торможения различных механизмов.

Устройство плавного пуска

Устройство плавного пуска (УПП) — это полупроводниковое устройство, которое обеспечивает плавный пуск до номинальной скорости, а также плавный останов механизма, если это требуется.

УПП ограничивает пусковой ток, снижая требования к мощности сети, и уменьшает механические нагрузки в механизме при пуске и торможении.

Плавный пуск/торможение достигается двумя способами:

  • Плавным изменением напряжения на двигателе (рампа напряжения);
  • Плавным изменением крутящего момента на валу двигателя (рампа момента).

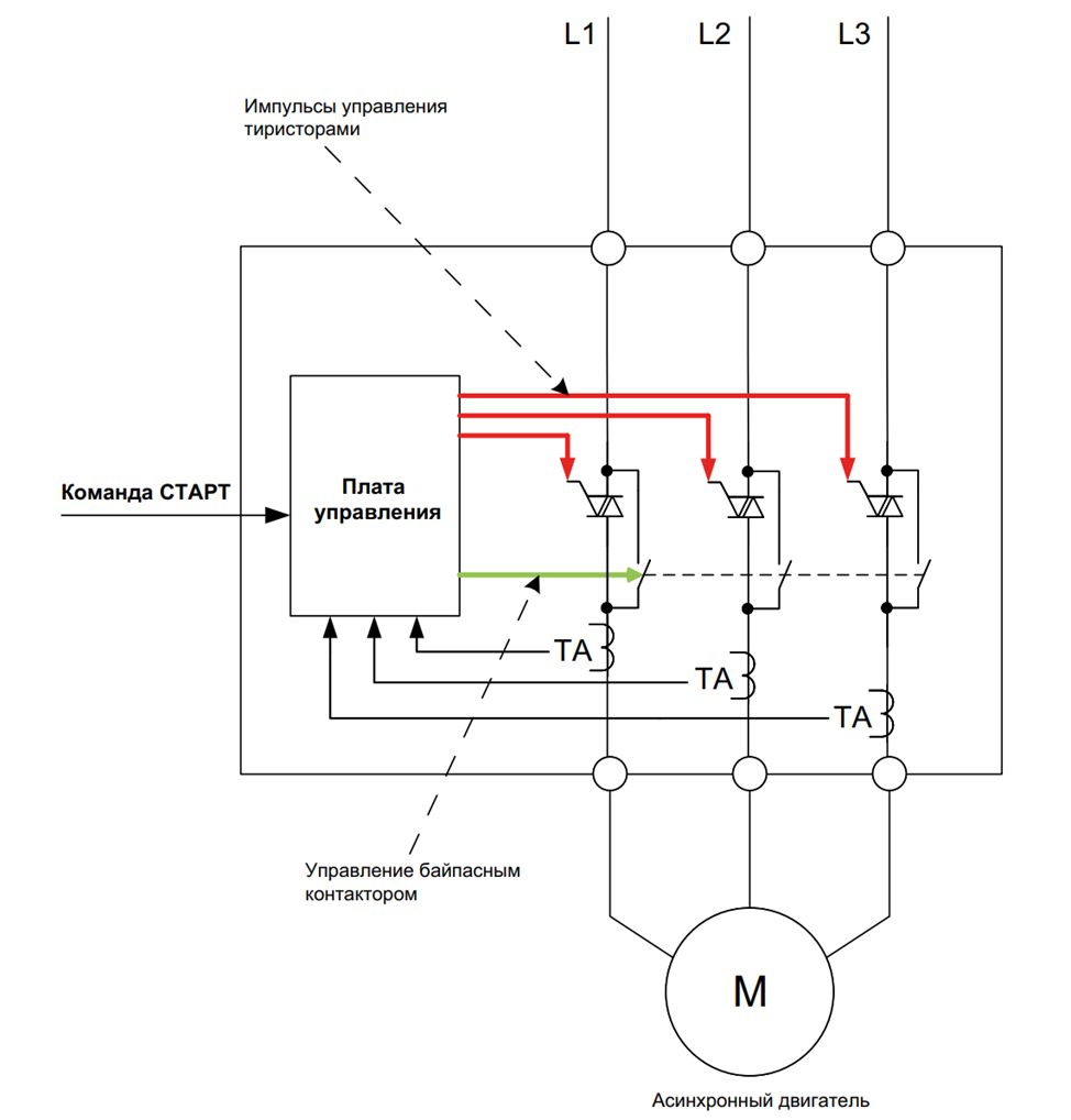
Схемотехника УПП изображена на рисунке ниже.

Рис.1 Типовая схема устройства плавного пуска
Рис.1 Типовая схема устройства плавного пуска

Силовая часть УПП состоит из тиристоров в каждой фазе и байпасного контактора. Байпасный контактор может быть как встроенный, так и внешний.

Назначение байпасного контактора – уменьшение тепловыделения при работе на постоянной скорости.

При поступлении команды СТАРТ на УПП плата управления начинает управлять тиристорами для плавного пуска механизма. В процессе разгона до номинальной скорости байпасный контактор разомкнут. При достижении номинальной скорости плата управления замыкает байпасный контактор. При этом тиристоры остаются открытыми и на них поступают импульсы управления.

При снятии команды СТАРТ байпасный контактор размыкается. Плата управления начинает управлять тиристорами для плавного торможения механизма. Если выбран режим торможения выбегом, тиристоры закрываются одновременно с размыканием байпасного контактора и механизм тормозит за счет внешнего момента сопротивления.

Рис. 2 Временная диаграмма работы устройства плавного пуска
Рис. 2 Временная диаграмма работы устройства плавного пуска

Рампа напряжения

При использовании рампы напряжения напряжение повышается от начального значения до сетевого напряжения линейно в течение регулируемого пользователем периода времени. При плавном пуске с постепенным увеличением напряжения в каждой точке процесса увеличения скорости величина доступного крутящего момента полностью зависит от способности двигателя создавать крутящий момент при заданном напряжении.

Кроме того, если двигатель не достигнет номинальной скорости к моменту завершения процесса постепенного увеличения напряжения, он будет потреблять ток, необходимый для номинальной скорости при полном приложенном напряжении. Таким образом, при использовании плавного пуска с постепенным увеличением напряжения величина пикового тока является функцией как тока прямого пуска двигателя, так и нагрузки (момента инерции нагрузки и момента сопротивления).

Как опция часто предлагается режим плавного пуска с ограничением тока. При ограничении тока напряжение поддерживается постоянным в течение регулируемого пользователем времени нарастания, а затем увеличивается до полного напряжения. Характеристики разгона двигателя при использовании плавного пуска с ограничением тока аналогичны характеристикам пускового устройства с рампой напряжения.

Устройство плавного пуска рампой напряжения с ограничением тока обеспечивает линейное нарастание напряжения на двигателе, если ток двигателя ниже предела токоограничения. После достижения предела тока нарастание напряжения корректируется для поддержания тока на уровне этого предела. Если нагрузка двигателя соответствует крутящему моменту двигателя на данной скорости при напряжении, приложенном для поддержания предела тока, двигатель не сможет достичь номинальной скорости.

Использование технологии плавного изменения напряжения (с опцией ограничения тока или без такой опции) обеспечивает снижение пускового тока и крутящего момента, однако производительность двигателя зависит от характеристик двигателя, а не от фактических требований нагрузки. При рампе напряжения ускорение механизма неравномерное: в начале пуска небольшое, в конце пуска максимальное.

Рампа напряжения не позволяет добиться истинного снижения пикового пускового тока для сильно нагруженного оборудования и не может учитывать изменения условий нагрузки.

Устройство плавного пуска рампой напряжения также обеспечивает линейное снижение напряжения на двигателе при плавной остановке. Это предотвращает резкое изменение начального снижения скорости двигателя после команды остановки. В насосных установках для предотвращения гидроудара скорость двигателя должна снижаться постепенно, чтобы предотвратить резкое закрытие обратного клапана. Устройство плавного пуска обычно не обеспечивает такого уровня контроля.

Рампа момента

Рампа момента позволяет достичь реального ограничения пускового тока.

Система управления крутящим моментом использует эксклюзивный алгоритм управления для расчета активной мощности статора и ротора с целью поддержания постоянного ускорения крутящего момента. Это достигается путем непрерывного расчета коэффициента мощности двигателя и потерь в статоре на протяжении всего цикла ускорения и замедления. УПП контролирует напряжение и ток для определения коэффициента мощности и вычитает потери в статоре для определения активной мощности ротора или фактического крутящего момента двигателя.

Плавный пуск рампой момента не основан строго на времени и уровнях напряжения двигателя, а предназначен для обеспечения линейного нарастания крутящего момента до тех пор, пока нагрузка на двигатель не превысит установленный предел тока.

Функциональная блок-схема системы управления крутящим моментом показана на рисунке ниже.

-4

Система управления крутящим моментом обеспечивает высокую производительность двигателя по крутящему моменту, что дает множество преимуществ в применении.

К таким преимуществам относятся:

  • Линейное изменение скорости независимо от нагрузки двигателя;
  • Управление коэффициентом мощности снижает пусковые токи;
  • Стандартное изменение крутящего момента идеально подходит для ускорения и замедления при переменных нагрузках, таких как насосы или вентиляторы;
  • Изменение крутящего момента может быть настроено для обеспечения постоянного профиля ускорения;
  • Значение крутящего момента двигателя может считываться и регулироваться с помощью клавиатуры в соответствии с фактическими требованиями приложения;
  • Замедление начинается в точке приложения крутящего момента для максимизации линейного изменения;
  • Для оптимального управления не требуется устройство обратной связи, установленное на двигателе.

Центробежные насосы требуют момента ускорения, который увеличивается со скоростью в соответствии с законами подобия. Этот плавный пусковой механизм может быть сконфигурирован для линейного увеличения момента двигателя с течением времени, начиная с выбранного пользователем процентного значения момента двигателя до момента двигателя при полной нагрузке. Такая конфигурация обеспечивает линейное ускорение для центробежных насосов и вентиляторов. Линейное ускорение помогает координировать открытие обратного клапана с ускорением двигателя/ насоса, предотвращая гидроудар. Оно также может исключить проскальзывание ремня при нагрузке вентилятора, снижая износ оборудования и затраты на техническое обслуживание.

Он также способен обеспечивать линейное уменьшение момента при замедлении нагрузки центробежных насосов. Аналогично ускорению, линейное изменение скорости при замедлении позволяет координировать закрытие обратного клапана без гидроудара. Плавный пусковой механизм непрерывно контролирует момент нагрузки двигателя, и при подаче команды остановки он запускает замедление с этого значения момента нагрузки. Это позволяет обеспечить линейное замедление насоса даже при небольшой нагрузке или при изменении нагрузки.

Области применения устройств плавного пуска

Устройства плавного пуска используются в случаях, когда:

  • Регулирование скорости и крутящего момента требуется только во время запуска (и остановки, если это необходимо по технологии);
  • Требуется снижение больших пусковых токов, связанных с мощным двигателем;
  • Механизм требует плавного пуска для сглаживания скачков крутящего момента и уменьшения механических напряжений в конструкции, связанных с прямым пуском (например, конвейеры, ременные приводы, редукторы и т. д.);
  • В насосных применениях необходимо устранить скачки давления, возникающие в трубопроводных системах при быстром изменении направления движения или скорости перемещения жидкости («гидроудар» из-за останова насоса выбегом, например). Эти скачки давления могут вызвать разрушения трубопроводов.

Основные характеристики устройств плавного пуска типа STS22/STS22X

Разработаны для тяжелых условий пуска: перегрузочная способность 500% от номинального тока устройства. Поддержка режимов пуска рампой напряжения или момента, с ограничением тока, с форсировкой при старте:

  • 0: Рампа напряжения;
  • 1: Рампа напряжения, ограничение тока;
  • 2: Рампа напряжения, форсировка и ограничение тока (тяжелая нагрузка);
  • 3: Рампа момента;
  • 4: Рампа момента и ограничение тока;
  • 5: Форсировка, рампа момента и ограничение тока.

Встроенные защиты: перегрузка по току, перегрузка, перегрев, разбаланс по фазам, обрыв фазы, недогрузка, внешняя ошибка.

Контроль недогрузки позволяет избежать аварийных ситуаций, вызванных поломкой механической части привода (например, обрыв приводного ремня).

Автоматические рестарт и сброс ошибок.

Поддержка протокола Modbus RTU.

Особенности применения устройств плавного пуска при нестабильной сети

На практике напряжение в заводской сети электроснабжения имеет отклонения от стандартных значений:

  • наблюдаются кратковременные провалы напряжения;
  • присутствует разбаланс напряжений по фазам.

В общем случае устройства плавного пуска по сравнению с ПЧ реагируют на кратковременные провалы сетевого напряжения или разбаланс напряжения по фазам аварийным отключением. ПЧ за счет конденсаторов в звене постоянного тока менее чувствительны к таким отклонениям питающей сети от стандартных значений и продолжают работу без аварийных отключений.

Аварийное отключение устройства плавного пуска может приводить к нарушению технологического процесса, если требуется непрерывный режим работы оборудования. В этом случае для плавного пуска лучше выбирать ПЧ.

УПП STS22/STS22X адаптированы к реальным условиям эксплуатации:

  • Частота сети может находиться в диапазоне 35..75 Гц. Это имеет значение при питании от дизельгенераторных установок.
  • Нижняя граница напряжения сети для активации защиты по недонапряжению может быть задана на уровне 70% от 380В.
  • При отключении напряжения и последующем восстановлении может быть сконфигурирован авторестарт.
  • При кратковременном разбалансе напряжений по фазам и соответственно разбалансе токов в двигателе можно активировать фильтр реакции на разбаланс, без отключения защиты по разбалансу.

Преобразователь частоты

Преобразователь частоты (ПЧ) — это устройство управления двигателем, которое регулирует скорость или момент асинхронного двигателя переменного тока, а также осуществляет защиту двигателя.

В отличие от УПП ПЧ может регулировать скорость двигателя во время цикла запуска и остановки, а также на протяжении всего рабочего цикла.

Области применения

ПЧ используются в системах, требующих точного управления скоростью/крутящим моментом двигателя, высокой энергоэффективности и плавной работы, таких как вентиляторы/насосы систем отопления, вентиляции и кондиционирования воздуха (ОВК), конвейерные системы, насосные станции, миксеры, компрессоры и лифты, для согласования скорости двигателя с потребностями, снижения потерь энергии, минимизации механического износа и повышения качества технологических процессов в таких отраслях, как производство, водоочистка и автоматизация зданий.

Основные области применения:

  • Системы отопления/ вентиляции/ кондиционирования: регулирование скорости вращения вентиляторов и насосов в воздухораспределительных системах для оптимального воздушного потока, температуры и значительной экономии энергии.
  • Насосы (водоснабжение/водоотведение): регулирование расхода и давления в бустерных насосах, системах орошения и очистных сооружениях, экономия энергии и снижение износа.
  • Конвейерные системы: Обеспечение плавного ускорения/замедления при перемещении материалов, снижение повреждений продукции и повышение эффективности.
  • Промышленное оборудование: управление экструдерами, миксерами, дробилками, станками с ЧПУ для точного управления технологическими процессами и обеспечения стабильного качества продукции.
  • Компрессоры: регулирование скорости вращения компрессора в соответствии с нагрузкой для повышения энергоэффективности.
  • Краны и лифты: обеспечивают плавный и контролируемый запуск и остановку, повышая безопасность и снижая механические нагрузки.

Как работают ПЧ

Принцип работы ПЧ основан на двойном преобразовании переменного напряжения: на первом этапе переменное напряжение преобразуется в постоянное, на втором постоянное напряжение преобразуется в выходное напряжение посредством широтно-импульсной модуляции (ШИМ) с помощью инвертора с IGBT-транзисторами. Это позволяет точно регулировать скорость вращения двигателя или крутящий момент на валу.

Частота, подаваемая на двигатель переменного тока, определяет скорость двигателя, на основе следующего уравнения:

N = 60 x f / p,

Где N = скорость (об/мин); f = частота (Гц); p = количество пар полюсов двигателя.

Например, 4-х полюсный (2 пары полюсов) двигатель работает на частоте 50 Гц. Эти значения можно подставить в формулу для расчета скорости:

N = 60 x 50 / 2 = 1500 (об/мин).

Рис. 3 Принципиальная схема силовой части ПЧ
Рис. 3 Принципиальная схема силовой части ПЧ

Компоненты принципиальной схемы:

  • Сеть переменного тока.
  • Выпрямитель: преобразует переменное напряжение сети в постоянное.
  • Фильтр и шина постоянного тока: сглаживают выпрямленное постоянное напряжение для обеспечения низкого уровня пульсаций для инвертора.
  • Инвертор: преобразует постоянное напряжение шины постоянного тока в переменное напряжение с использованием метода широтно-импульсной модуляции (ШИМ).

Широтно-импульсная модуляция: метод переключения IGBT-транзисторов. При различной длительности и интервале времени переключения транзисторов на выходе ПЧ формируется синусоидальная форма сигнала (при скалярном управлении).

Рис. 4 Напряжение на выходе ПЧ, полученное методом широтно-импульсной модуляции
Рис. 4 Напряжение на выходе ПЧ, полученное методом широтно-импульсной модуляции

Преимущества использования ПЧ

  • Энергосбережение;
  • Снижение пиковой нагрузки на энергосистему;
  • Полностью регулируемая скорость (насосы, конвейеры и вентиляторы);
  • Контролируемый пуск, остановка и ускорение механизмов: снижение механических нагрузок, уменьшение износа ремней, шестерен и других компонентов;
  • Возможность ограничения или регулирования крутящего момента;
  • Обеспечение комфорта в таких областях применения, как лифты и эскалаторы;
  • Поддержание постоянной скорости оборудования, что делает приводы идеальными для производственного оборудования и промышленного оборудования, такого как миксеры, измельчители и дробилки;
  • Универсальность;
  • Самодиагностика и коммуникационные возможности;
  • Расширенные защиты от перегрузки;
  • Совместимость с ПЛК (цифровые входы/выходы DI/DO, аналоговые входы/выходы, релейные выходы).

Энергосбережение

Использование ПЧ в насосном оборудовании позволяет значительно экономить энергию (часто на 20-50% и более) за счет согласования скорости насоса с фактической потребностью, используя законы подобия, согласно которым небольшое снижение скорости приводит к значительному снижению мощности (например, падение скорости на 20% = экономия мощности на 50%). ПЧ заменяют менее эффективные методы, такие как дроссельные клапаны, что значительно снижает эксплуатационные расходы и воздействие на окружающую среду в системах с переменным расходом.

Центробежное оборудование (вентиляторы, насосы и компрессоры) подчиняется общему набору законов подобия скорости. Законы подобия определяют связь между скоростью и набором переменных:

  • Расход;
  • Давление;
  • Мощность.

На основе законов подобия расход изменяется линейно со скоростью, в то время как давление пропорционально квадрату скорости. Требуемая мощность пропорциональна кубу скорости. Последнее наиболее важно, потому что, если скорость двигателя падает, мощность падает в кубе.

-7

В этом примере двигатель вентилятора работает на 80 % от номинальной скорости. Это значение можно подставить в формулу законов подобия, чтобы рассчитать мощность при этой новой скорости:

-8

Следовательно, мощность, необходимая для работы вентилятора на 80 % от номинальной скорости, составляет половину номинальной мощности.

Рис.8 Связь между расходом и давлением
Рис.8 Связь между расходом и давлением
Рис.9 Связь между расходом и мощностью
Рис.9 Связь между расходом и мощностью

Как выбрать оборудование для пуска Вашего механизма

При выборе устройства плавного пуска или ПЧ для пуска промышленной установки нужно учесть следующие моменты:

  • Стоимость: устройство плавного пуска меньше и дешевле по сравнению с ПЧ в системах большей мощности. Однако ПЧ может обеспечить экономию энергии до 50 процентов, что приводит к большей экономии средств в течение всего срока службы оборудования.
  • Регулирование скорости — еще одно преимущество ПЧ, который обеспечивает постоянное время разгона на протяжении всего рабочего цикла двигателя, а не только во время запуска. ПЧ также могут обеспечить более надежную функциональность, чем устройства плавного пуска, включая цифровую диагностическую информацию.
  • При длине моторного кабеля более 50 м ПЧ требует установки выходного фильтра, в отличие от УПП. При отсутствии выходного фильтра изоляция двигателя будет подвергаться ускоренному износу (через 6-12 месяцев), что приведет к пробою.
  • Наличие кратковременных просадок напряжения в сети электроснабжения предприятия приводит к отключению УПП. При этом ПЧ может продолжать работу за счет наличия энергии в звене постоянного тока и инерционности механизма (при вентиляторной нагрузке).
  • Длительный обрыв сетевой фазы приводит к аварийному режиму работы двигателя, подключенного у УПП. Защита от разбаланса токов в УПП всегда должна быть активирована – соответственно, УПП будет отключаться при длительном пропадании входной фазы. В то же время ПЧ может работать при обрыве входной фазы.

В случае затруднений при подборе просьба обращаться в техническую поддержку: support@systeme.ru

Оригинал статьи на сайте Systeme Electric: https://systeme.ru/download/inzenernaia-kollekciia-prakticeskie-sovety-ekspertov-ustroistvo-plavnogo-puska-ili-preobrazovatel-castoty-cto-vybrat

Если вас интересуют новости Автоматизации, и вы хотите быть в курсе всех новых интересных и полезных статей и видео, подписывайтесь на наш канал Systeme Electric: Автоматизация в Telegram и MAX.