Π”ΠΎΠ±Π°Π²ΠΈΡ‚ΡŒ Π² ΠΊΠΎΡ€Π·ΠΈΠ½ΡƒΠŸΠΎΠ·Π²ΠΎΠ½ΠΈΡ‚ΡŒ
Найти Π² Π”Π·Π΅Π½Π΅
Π”ΠΎΠΌΠ°ΡˆΠ½ΡΡ элСктрика

πŸ’‘ ΠŸΠΎΡ‡Π΅ΠΌΡƒ ΠΌΠΈΠ³Π°ΡŽΡ‚ Π»Π°ΠΌΠΏΠΎΡ‡ΠΊΠΈ послС ΠΎΡ‚ΠΊΠ»ΡŽΡ‡Π΅Π½ΠΈΡ свСта β€” ΠΏΡ€ΠΈΡ‡ΠΈΠ½Ρ‹ ΠΈ ΠΊΠ°ΠΊ ΠΈΡΠΏΡ€Π°Π²ΠΈΡ‚ΡŒ

МногиС ΡΡ‚Π°Π»ΠΊΠΈΠ²Π°Π»ΠΈΡΡŒ с ситуациСй: свСт ΠΎΡ‚ΠΊΠ»ΡŽΡ‡ΠΈΠ»ΠΈ, ΠΏΠΎΡ‚ΠΎΠΌ Π²ΠΊΠ»ΡŽΡ‡ΠΈΠ»ΠΈ β€” ΠΈ Π²Π΄Ρ€ΡƒΠ³ Π»Π°ΠΌΠΏΡ‹ Π½Π°Ρ‡ΠΈΠ½Π°ΡŽΡ‚ ΠΌΠΈΠ³Π°Ρ‚ΡŒ, тускло ΡΠ²Π΅Ρ‚ΠΈΡ‚ΡŒΡΡ ΠΈΠ»ΠΈ Π΄Π°ΠΆΠ΅ Π²ΡΠΏΡ‹Ρ…ΠΈΠ²Π°Ρ‚ΡŒ ΠΏΡ€ΠΈ Π²Ρ‹ΠΊΠ»ΡŽΡ‡Π΅Π½Π½ΠΎΠΌ Π²Ρ‹ΠΊΠ»ΡŽΡ‡Π°Ρ‚Π΅Π»Π΅. ОсобСнно часто это происходит со свСтодиодными (LED) Π»Π°ΠΌΠΏΠ°ΠΌΠΈ.
РазбСрёмся ΠΏΠΎΠ΄Ρ€ΠΎΠ±Π½ΠΎ, ΠΏΠΎΡ‡Π΅ΠΌΡƒ это происходит ΠΈ ΠΊΠ°ΠΊ ΡƒΡΡ‚Ρ€Π°Π½ΠΈΡ‚ΡŒ ΠΏΡ€ΠΎΠ±Π»Π΅ΠΌΡƒ Π±Π΅Π· Π»ΠΈΡˆΠ½ΠΈΡ… Π·Π°Ρ‚Ρ€Π°Ρ‚.
⚑ ΠžΡΠ½ΠΎΠ²Π½Ρ‹Π΅ ΠΏΡ€ΠΈΡ‡ΠΈΠ½Ρ‹ мигания Π»Π°ΠΌΠΏ
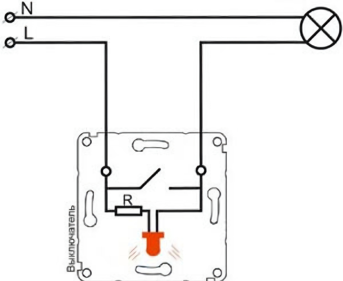
1. Π’Ρ‹ΠΊΠ»ΡŽΡ‡Π°Ρ‚Π΅Π»ΡŒ с подсвСткой

МногиС ΡΡ‚Π°Π»ΠΊΠΈΠ²Π°Π»ΠΈΡΡŒ с ситуациСй: свСт ΠΎΡ‚ΠΊΠ»ΡŽΡ‡ΠΈΠ»ΠΈ, ΠΏΠΎΡ‚ΠΎΠΌ Π²ΠΊΠ»ΡŽΡ‡ΠΈΠ»ΠΈ β€” ΠΈ Π²Π΄Ρ€ΡƒΠ³ Π»Π°ΠΌΠΏΡ‹ Π½Π°Ρ‡ΠΈΠ½Π°ΡŽΡ‚ ΠΌΠΈΠ³Π°Ρ‚ΡŒ, тускло ΡΠ²Π΅Ρ‚ΠΈΡ‚ΡŒΡΡ ΠΈΠ»ΠΈ Π΄Π°ΠΆΠ΅ Π²ΡΠΏΡ‹Ρ…ΠΈΠ²Π°Ρ‚ΡŒ ΠΏΡ€ΠΈ Π²Ρ‹ΠΊΠ»ΡŽΡ‡Π΅Π½Π½ΠΎΠΌ Π²Ρ‹ΠΊΠ»ΡŽΡ‡Π°Ρ‚Π΅Π»Π΅. ОсобСнно часто это происходит со свСтодиодными (LED) Π»Π°ΠΌΠΏΠ°ΠΌΠΈ.

РазбСрёмся ΠΏΠΎΠ΄Ρ€ΠΎΠ±Π½ΠΎ, ΠΏΠΎΡ‡Π΅ΠΌΡƒ это происходит ΠΈ ΠΊΠ°ΠΊ ΡƒΡΡ‚Ρ€Π°Π½ΠΈΡ‚ΡŒ ΠΏΡ€ΠΎΠ±Π»Π΅ΠΌΡƒ Π±Π΅Π· Π»ΠΈΡˆΠ½ΠΈΡ… Π·Π°Ρ‚Ρ€Π°Ρ‚.

⚑ ΠžΡΠ½ΠΎΠ²Π½Ρ‹Π΅ ΠΏΡ€ΠΈΡ‡ΠΈΠ½Ρ‹ мигания Π»Π°ΠΌΠΏ

1. Π’Ρ‹ΠΊΠ»ΡŽΡ‡Π°Ρ‚Π΅Π»ΡŒ с подсвСткой

-2

Бамая частая ΠΏΡ€ΠΈΡ‡ΠΈΠ½Π°.

πŸ‘‰ Π’Π½ΡƒΡ‚Ρ€ΠΈ Ρ‚Π°ΠΊΠΎΠ³ΠΎ Π²Ρ‹ΠΊΠ»ΡŽΡ‡Π°Ρ‚Π΅Π»Ρ стоит малСнький свСтодиод ΠΈΠ»ΠΈ нСоновая Π»Π°ΠΌΠΏΠ°.

Π”Π°ΠΆΠ΅ ΠΊΠΎΠ³Π΄Π° свСт Π²Ρ‹ΠΊΠ»ΡŽΡ‡Π΅Π½, Ρ‡Π΅Ρ€Π΅Π· Ρ†Π΅ΠΏΡŒ ΠΏΡ€ΠΎΡ…ΠΎΠ΄ΠΈΡ‚ ΠΎΡ‡Π΅Π½ΡŒ слабый Ρ‚ΠΎΠΊ.

πŸ’₯ Для Π»Π°ΠΌΠΏΡ‹ накаливания β€” это Π½ΠΈΡ‡Ρ‚ΠΎ.

А Π²ΠΎΡ‚ LED-Π»Π°ΠΌΠΏΠ° Π½Π°Ρ‡ΠΈΠ½Π°Π΅Ρ‚:

Π½Π°ΠΊΠ°ΠΏΠ»ΠΈΠ²Π°Ρ‚ΡŒ заряд

пСриодичСски Π²ΡΠΏΡ‹Ρ…ΠΈΠ²Π°Ρ‚ΡŒ

πŸ“Œ ΠŸΡ€ΠΈΠ·Π½Π°ΠΊΠΈ:

ΠΌΠΈΠ³Π°Π΅Ρ‚ ΠΈΠΌΠ΅Π½Π½ΠΎ ΠΏΡ€ΠΈ Π²Ρ‹ΠΊΠ»ΡŽΡ‡Π΅Π½Π½ΠΎΠΌ свСтС

ΠΏΡ€ΠΎΠ±Π»Π΅ΠΌΠ° появилась послС установки Π½ΠΎΠ²ΠΎΠ³ΠΎ Π²Ρ‹ΠΊΠ»ΡŽΡ‡Π°Ρ‚Π΅Π»Ρ

βœ… РСшСниС:

Π·Π°ΠΌΠ΅Π½ΠΈΡ‚ΡŒ Π²Ρ‹ΠΊΠ»ΡŽΡ‡Π°Ρ‚Π΅Π»ΡŒ Π½Π° ΠΎΠ±Ρ‹Ρ‡Π½Ρ‹ΠΉ

ΠΈΠ»ΠΈ

ΡƒΠ±Ρ€Π°Ρ‚ΡŒ подсвСтку

ΠΈΠ»ΠΈ

ΡƒΡΡ‚Π°Π½ΠΎΠ²ΠΈΡ‚ΡŒ рСзистор/кондСнсатор (Π°Π½Ρ‚ΠΈ-ΠΌΠ΅Ρ€Ρ†Π°Π½ΠΈΠ΅)

2. Наводки Π² ΠΏΡ€ΠΎΠ²ΠΎΠ΄ΠΊΠ΅

Если ΠΏΡ€ΠΎΠ²ΠΎΠ΄Π° ΠΏΡ€ΠΎΠ»ΠΎΠΆΠ΅Π½Ρ‹ рядом (особСнно Π² ΠΎΠ΄Π½ΠΎΠΉ Π³ΠΎΡ„Ρ€Π΅), Π²ΠΎΠ·Π½ΠΈΠΊΠ°Π΅Ρ‚ ΠΈΠ½Π΄ΡƒΠΊΡ†ΠΈΠΎΠ½Π½ΠΎΠ΅ напряТСниС.

πŸ“Œ Π’ Ρ€Π΅Π·ΡƒΠ»ΡŒΡ‚Π°Ρ‚Π΅:

Π½Π° ΠΎΡ‚ΠΊΠ»ΡŽΡ‡Ρ‘Π½Π½ΠΎΠΌ ΠΏΡ€ΠΎΠ²ΠΎΠ΄Π΅ появляСтся слабоС напряТСниС

LED-Π»Π°ΠΌΠΏΠ° ΠΌΠΎΠΆΠ΅Ρ‚ слСгка ΡΠ²Π΅Ρ‚ΠΈΡ‚ΡŒΡΡ ΠΈΠ»ΠΈ ΠΌΠΈΠ³Π°Ρ‚ΡŒ

πŸ“Œ Часто встрСчаСтся:

Π² Π΄Π»ΠΈΠ½Π½Ρ‹Ρ… линиях

ΠΏΡ€ΠΈ ΠΏΠ»ΠΎΡ…ΠΎΠΉ Ρ€Π°Π·Π²ΠΎΠ΄ΠΊΠ΅

βœ… РСшСниС:

Ρ€Π°Π·Π΄Π΅Π»ΠΈΡ‚ΡŒ Π»ΠΈΠ½ΠΈΠΈ питания

ΠΈΡΠΏΠΎΠ»ΡŒΠ·ΠΎΠ²Π°Ρ‚ΡŒ качСствСнный кабСль

ΠΏΠΎΡΡ‚Π°Π²ΠΈΡ‚ΡŒ ΡˆΡƒΠ½Ρ‚ΠΈΡ€ΡƒΡŽΡ‰ΠΈΠΉ элСмСнт (рСзистор)

3. ΠΠ΅ΠΏΡ€Π°Π²ΠΈΠ»ΡŒΠ½ΠΎΠ΅ ΠΏΠΎΠ΄ΠΊΠ»ΡŽΡ‡Π΅Π½ΠΈΠ΅ (Ρ€Π°Π·Ρ€Ρ‹Π² нуля вмСсто Ρ„Π°Π·Ρ‹)

-3

ΠžΡ‡Π΅Π½ΡŒ частая ошибка ΠΌΠΎΠ½Ρ‚Π°ΠΆΠ½ΠΈΠΊΠΎΠ².

❗ Π’Ρ‹ΠΊΠ»ΡŽΡ‡Π°Ρ‚Π΅Π»ΡŒ Π΄ΠΎΠ»ΠΆΠ΅Π½ Ρ€Π°Π·Ρ€Ρ‹Π²Π°Ρ‚ΡŒ Ρ„Π°Π·Ρƒ, Π° Π½Π΅ ноль.

Если разрываСтся ноль:

Ρ„Π°Π·Π° остаётся Π½Π° Π»Π°ΠΌΠΏΠ΅ постоянно

ΠΏΠΎΡΠ²Π»ΡΡŽΡ‚ΡΡ ΠΏΠ°Ρ€Π°Π·ΠΈΡ‚Π½Ρ‹Π΅ Ρ‚ΠΎΠΊΠΈ

Π»Π°ΠΌΠΏΠ° ΠΌΠΎΠΆΠ΅Ρ‚ ΠΌΠΈΠ³Π°Ρ‚ΡŒ ΠΈΠ»ΠΈ "ΠΆΠΈΡ‚ΡŒ своСй Тизнью"

πŸ“Œ Π­Ρ‚ΠΎ ΡƒΠΆΠ΅ Π½Π΅ просто ΠΏΡ€ΠΎΠ±Π»Π΅ΠΌΠ° β€” это опасно

βœ… РСшСниС:

ΠΏΡ€ΠΎΠ²Π΅Ρ€ΠΈΡ‚ΡŒ ΠΈΠ½Π΄ΠΈΠΊΠ°Ρ‚ΠΎΡ€ΠΎΠΌ

ΠΏΠ΅Ρ€Π΅Π΄Π΅Π»Π°Ρ‚ΡŒ ΠΏΠΎΠ΄ΠΊΠ»ΡŽΡ‡Π΅Π½ΠΈΠ΅ ΠΏΡ€Π°Π²ΠΈΠ»ΡŒΠ½ΠΎ

4. НСкачСствСнныС LED-Π»Π°ΠΌΠΏΡ‹

Π”Π΅ΡˆΡ‘Π²Ρ‹Π΅ Π»Π°ΠΌΠΏΡ‹ Π½Π΅ ΠΈΠΌΠ΅ΡŽΡ‚ Π½ΠΎΡ€ΠΌΠ°Π»ΡŒΠ½ΠΎΠ³ΠΎ Π΄Ρ€Π°ΠΉΠ²Π΅Ρ€Π°.

πŸ“Œ Π’ ΠΈΡ‚ΠΎΠ³Π΅:

Ρ‡ΡƒΠ²ΡΡ‚Π²ΠΈΡ‚Π΅Π»ΡŒΠ½Ρ‹ ΠΊ Π»ΡŽΠ±Ρ‹ΠΌ Ρ‚ΠΎΠΊΠ°ΠΌ

ΠΌΠΈΠ³Π°ΡŽΡ‚ Π΄Π°ΠΆΠ΅ ΠΎΡ‚ минимального напряТСния

βœ… РСшСниС:

Π·Π°ΠΌΠ΅Π½ΠΈΡ‚ΡŒ Π½Π° качСствСнныС Π»Π°ΠΌΠΏΡ‹

ΠΏΡ€ΠΎΠ²Π΅Ρ€Π΅Π½Π½Ρ‹Π΅ Π±Ρ€Π΅Π½Π΄Ρ‹ Ρ€Π°Π±ΠΎΡ‚Π°ΡŽΡ‚ ΡΡ‚Π°Π±ΠΈΠ»ΡŒΠ½ΠΎ

5. ΠŸΡ€ΠΎΠ±Π»Π΅ΠΌΡ‹ послС скачка напряТСния

ПослС ΠΎΡ‚ΠΊΠ»ΡŽΡ‡Π΅Π½ΠΈΡ свСта Π²ΠΎΠ·ΠΌΠΎΠΆΠ½Ρ‹:

скачки напряТСния

ΠΏΠΎΠ²Ρ€Π΅ΠΆΠ΄Π΅Π½ΠΈΠ΅ Π΄Ρ€Π°ΠΉΠ²Π΅Ρ€Π° Π»Π°ΠΌΠΏΡ‹

πŸ“Œ ΠŸΡ€ΠΈΠ·Π½Π°ΠΊΠΈ:

Π»Π°ΠΌΠΏΠ° Π½Π°Ρ‡Π°Π»Π° ΠΌΠΈΠ³Π°Ρ‚ΡŒ ΠΈΠΌΠ΅Π½Π½ΠΎ послС Π°Π²Π°Ρ€ΠΈΠΈ

Ρ€Π°Π½ΡŒΡˆΠ΅ всё Ρ€Π°Π±ΠΎΡ‚Π°Π»ΠΎ Π½ΠΎΡ€ΠΌΠ°Π»ΡŒΠ½ΠΎ

βœ… РСшСниС:

Π·Π°ΠΌΠ΅Π½ΠΈΡ‚ΡŒ Π»Π°ΠΌΠΏΡƒ

ΠΏΡ€ΠΎΠ²Π΅Ρ€ΠΈΡ‚ΡŒ ΡΠ΅Ρ‚ΡŒ

6. Π”ΠΈΠΌΠΌΠ΅Ρ€Ρ‹ ΠΈ Π½Π΅ΡΠΎΠ²ΠΌΠ΅ΡΡ‚ΠΈΠΌΠΎΡΡ‚ΡŒ

Если установлСн Π΄ΠΈΠΌΠΌΠ΅Ρ€:

Π½Π΅ каТдая LED-Π»Π°ΠΌΠΏΠ° с Π½ΠΈΠΌ Ρ€Π°Π±ΠΎΡ‚Π°Π΅Ρ‚ ΠΊΠΎΡ€Ρ€Π΅ΠΊΡ‚Π½ΠΎ

πŸ“Œ Π Π΅Π·ΡƒΠ»ΡŒΡ‚Π°Ρ‚:

ΠΌΠΈΠ³Π°Π½ΠΈΠ΅

ΠΌΠ΅Ρ€Ρ†Π°Π½ΠΈΠ΅

Π½Π΅ΡΡ‚Π°Π±ΠΈΠ»ΡŒΠ½Ρ‹ΠΉ свСт

βœ… РСшСниС:

ΠΈΡΠΏΠΎΠ»ΡŒΠ·ΠΎΠ²Π°Ρ‚ΡŒ Π΄ΠΈΠΌΠΌΠΈΡ€ΡƒΠ΅ΠΌΡ‹Π΅ Π»Π°ΠΌΠΏΡ‹

Π·Π°ΠΌΠ΅Π½ΠΈΡ‚ΡŒ Π΄ΠΈΠΌΠΌΠ΅Ρ€ Π½Π° подходящий

πŸ”§ Быстрая диагностика (Ρ‡Ρ‚ΠΎ ΠΏΡ€ΠΎΠ²Π΅Ρ€ΠΈΡ‚ΡŒ Π² ΠΏΠ΅Ρ€Π²ΡƒΡŽ ΠΎΡ‡Π΅Ρ€Π΅Π΄ΡŒ)

Π•ΡΡ‚ΡŒ Π»ΠΈ подсвСтка Ρƒ Π²Ρ‹ΠΊΠ»ΡŽΡ‡Π°Ρ‚Π΅Π»Ρ?

ΠœΠΈΠ³Π°Π΅Ρ‚ ΠΏΡ€ΠΈ Π²Ρ‹ΠΊΠ»ΡŽΡ‡Π΅Π½Π½ΠΎΠΌ ΠΈΠ»ΠΈ Π²ΠΊΠ»ΡŽΡ‡Ρ‘Π½Π½ΠΎΠΌ свСтС?

МСняли Π»ΠΈ Π½Π΅Π΄Π°Π²Π½ΠΎ Π»Π°ΠΌΠΏΡƒ ΠΈΠ»ΠΈ Π²Ρ‹ΠΊΠ»ΡŽΡ‡Π°Ρ‚Π΅Π»ΡŒ?

ΠŸΡ€ΠΎΠ²Π΅Ρ€ΠΈΡ‚ΡŒ β€” разрываСтся Ρ„Π°Π·Π° ΠΈΠ»ΠΈ ноль

ΠŸΠΎΠΏΡ€ΠΎΠ±ΠΎΠ²Π°Ρ‚ΡŒ Π²ΠΊΡ€ΡƒΡ‚ΠΈΡ‚ΡŒ Π΄Ρ€ΡƒΠ³ΡƒΡŽ Π»Π°ΠΌΠΏΡƒ

⚠️ Когда Π½ΡƒΠΆΠ½ΠΎ срочно Ρ€Π°Π·Π±ΠΈΡ€Π°Ρ‚ΡŒΡΡ

Π»Π°ΠΌΠΏΠ° ΠΌΠΈΠ³Π°Π΅Ρ‚ сильно ΠΈ часто

Π΅ΡΡ‚ΡŒ Π·Π°ΠΏΠ°Ρ… Π³Π°Ρ€ΠΈ

Π²Ρ‹Π±ΠΈΠ²Π°Π΅Ρ‚ Π°Π²Ρ‚ΠΎΠΌΠ°Ρ‚

ΠΏΡ€ΠΎΠ±Π»Π΅ΠΌΠ° появилась послС ΠΊΠΎΡ€ΠΎΡ‚ΠΊΠΎΠ³ΠΎ замыкания

πŸ‘‰ Π’ этих случаях Π»ΡƒΡ‡ΡˆΠ΅ Π½Π΅ Ρ‚ΡΠ½ΡƒΡ‚ΡŒ β€” Π²ΠΎΠ·ΠΌΠΎΠΆΠ½Π° ΠΏΡ€ΠΎΠ±Π»Π΅ΠΌΠ° с ΠΏΡ€ΠΎΠ²ΠΎΠ΄ΠΊΠΎΠΉ.

πŸ’‘ Π’Ρ‹Π²ΠΎΠ΄

МиганиС Π»Π°ΠΌΠΏ β€” это Π½Π΅ Β«Π½ΠΎΡ€ΠΌΠ°Β», Π° сигнал:

πŸ‘‰ Π»ΠΈΠ±ΠΎ Π½Π΅ΠΏΡ€Π°Π²ΠΈΠ»ΡŒΠ½ΠΎΠ΅ ΠΏΠΎΠ΄ΠΊΠ»ΡŽΡ‡Π΅Π½ΠΈΠ΅

πŸ‘‰ Π»ΠΈΠ±ΠΎ особСнности LED-Ρ‚Π΅Ρ…Π½ΠΎΠ»ΠΎΠ³ΠΈΠΈ

πŸ‘‰ Π»ΠΈΠ±ΠΎ ΠΏΡ€ΠΎΠ±Π»Π΅ΠΌΠ° Π² ΠΏΡ€ΠΎΠ²ΠΎΠ΄ΠΊΠ΅

Π₯ΠΎΡ€ΠΎΡˆΠ°Ρ Π½ΠΎΠ²ΠΎΡΡ‚ΡŒ β€” Π² 80% случаСв всё Ρ€Π΅ΡˆΠ°Π΅Ρ‚ΡΡ Π·Π° 5–15 ΠΌΠΈΠ½ΡƒΡ‚.

Если Ρ…ΠΎΡ‡Π΅ΡˆΡŒ, ΠΌΠΎΠ³Ρƒ:

ΡΠ΄Π΅Π»Π°Ρ‚ΡŒ схСму ΠΏΠΎΠ΄ΠΊΠ»ΡŽΡ‡Π΅Π½ΠΈΡ Π±Π΅Π· мигания

ΠΏΠΎΠ΄Π³ΠΎΡ‚ΠΎΠ²ΠΈΡ‚ΡŒ ΠΎΡ‚Π΄Π΅Π»ΡŒΠ½Ρ‹ΠΉ пост ΠΏΡ€ΠΎ Π²Ρ‹ΠΊΠ»ΡŽΡ‡Π°Ρ‚Π΅Π»ΠΈ с подсвСткой

⚑ Вопросы ΠΈ сотрудничСство:

Telegram: @help_electrik

WhatsApp: +7 967 110-14-11

🌐 https://electrik-clge.vercel.app/