Добавить в корзинуПозвонить
Найти в Дзене
Сделай сам - своими руками

Как сделать полумостовой преобразователь с ТДКС и наблюдать красочные разряды

Высоковольтная техника представляет собой уникальное направление в электронике, обладающее собственной неповторимой эстетикой и особенностями. Энтузиасты по всему миру создают разнообразные конструкции, начиная от простых умножителей и заканчивая массивными генераторами Ван де Граафа и катушками Тесла. Эти устройства обычно не имеют практического применения, но их ценность заключается в демонстрации эффектных высоковольтных разрядов. Наиболее доступным устройством, способным генерировать высокое напряжение, является строчный трансформатор. Он присутствует в каждом кинескопном телевизоре, и его стоимость сейчас становится всё ниже, поскольку такие телевизоры постепенно выходят из употребления. Существует два типа строчных трансформаторов: ТДКС, который включает встроенный умножитель, и ТВС — «голый» трансформатор с отдельным подключением умножителя. Для работы строчного трансформатора требуется специальная схема, которая «раскачивает» его первичную обмотку высокочастотным напряжением в
Оглавление

Высоковольтная техника представляет собой уникальное направление в электронике, обладающее собственной неповторимой эстетикой и особенностями. Энтузиасты по всему миру создают разнообразные конструкции, начиная от простых умножителей и заканчивая массивными генераторами Ван де Граафа и катушками Тесла. Эти устройства обычно не имеют практического применения, но их ценность заключается в демонстрации эффектных высоковольтных разрядов.

Наиболее доступным устройством, способным генерировать высокое напряжение, является строчный трансформатор. Он присутствует в каждом кинескопном телевизоре, и его стоимость сейчас становится всё ниже, поскольку такие телевизоры постепенно выходят из употребления. Существует два типа строчных трансформаторов: ТДКС, который включает встроенный умножитель, и ТВС — «голый» трансформатор с отдельным подключением умножителя.

Для работы строчного трансформатора требуется специальная схема, которая «раскачивает» его первичную обмотку высокочастотным напряжением в диапазоне от 1 до 100 кГц. В интернете можно найти множество таких схем, среди которых популярны простые однотактные варианты с одним мощным транзистором. Этот транзистор замыкает и размыкает цепь первичной обмотки трансформатора с нужной частотой. Однако такие схемы имеют низкий КПД, так как транзистор сильно нагревается, и малую мощность, что не позволяет использовать весь потенциал трансформатора и получить максимальную мощность разрядов, от которой зависят их длина, сила и яркость.

Схема

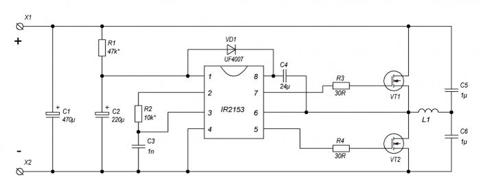
В статье описана классическая схема полумостового преобразователя, построенного на базе микросхемы IR2153. При использовании соответствующих транзисторов на выходе она способна обеспечивать значительную мощность — до 500 ватт. С небольшими модификациями можно достичь мощности в несколько киловатт. Схема отличается простотой конструкции, не требует дорогостоящих компонентов и легко воспроизводится.

-2

Индуктивность L1, представляющая собой первичную обмотку строчного трансформатора, выполняет функцию нагрузки в данной схеме. Однако на базе этой схемы можно создавать и другие устройства, которые требуют напряжения высокой частоты и значительной амплитуды, такие как индукционные нагреватели. Для наглядности ниже представлено изображение формы сигнала на выходе схемы без нагрузки — это почти идеальные прямоугольные импульсы.

-3

Немного о деталях и работе преобразователя

Микросхема IR2153 выполняет функцию двухтактного генератора прямоугольных импульсов, так как она управляет одновременно двумя полевыми транзисторами через два выхода (5 и 7). Этот компонент не является редкостью и используется в сетевых блоках питания и других импульсных устройствах. Его стоимость в магазинах радиодеталей обычно не превышает 100 рублей.

Преимущество данной микросхемы заключается в наличии встроенного стабилитрона, что позволяет питать её от того же напряжения, что и нагрузку. Для эффективной работы полумоста это напряжение должно быть в диапазоне 100–300 вольт. Таким образом, дополнительный низковольтный источник для питания логической части схемы не требуется. Резистор R1, ограничивающий ток через стабилитрон, имеет номинал, обозначенный на схеме звёздочкой. Его сопротивление зависит от напряжения питания всей системы: чем выше напряжение, тем больше сопротивление. Точное значение можно рассчитать с помощью калькулятора для расчёта резистора стабилитрона. Номинал, указанный на схеме, подходит для напряжения питания 250 вольт. Важно учитывать, что на этом резисторе будет рассеиваться определённая мощность, поэтому рекомендуется использовать один резистор на 1–3 ватта или несколько маломощных параллельно, как это сделано на печатной плате.

Конденсатор С2 предназначен для фильтрации напряжения питания микросхемы. Его ёмкость может варьироваться от 100 до 220 мкФ с напряжением не менее 25 вольт. Конденсатор C1 является высоковольтным и играет важную роль в питании. Его ёмкость не стоит экономить, так как от этого зависит мощность на нагрузке. При слишком малой ёмкости могут возникнуть просадки по питанию, что приведёт к снижению мощности. Оптимальное значение ёмкости составляет 470–680 мкФ. Обратите внимание, что конденсатор должен быть рассчитан на высокое питающее напряжение с некоторым запасом.

Схема и плата в архиве, который можно скачать тут:

https://sdelaysam-svoimirukami.ru/6924-kak-sdelat-polumostovoj-preobrazovatel-s-tdks.html

Элементы R2-C3 определяют частоту работы схемы, поэтому необходимо использовать качественный высокочастотный конденсатор, например, плёночный. Увеличение ёмкости конденсатора снижает частоту работы схемы, при указанных значениях номиналов она составляет примерно 80 кГц.

Для достижения наилучших результатов рекомендуется предусмотреть возможность регулировки частоты. Вместо постоянного резистора лучше установить подстроечный с сопротивлением 20 кОм. Диапазон регулировки частоты можно изменять, варьируя ёмкость конденсатора.

Конденсатор С4 лучше использовать неполярный танталовый ёмкостью 20-30 мкФ, но можно применить и обычный электролитический конденсатор. Резисторы R3 и R4 ограничивают ток в затворах транзисторов. Подойдут резисторы с сопротивлением 10-30 Ом.

Особое внимание следует уделить выбору силовых транзисторов, так как они коммутируют нагрузку и влияют на КПД и надёжность схемы. Недорогим, но не самым мощным вариантом являются IRF630, которые работают на напряжениях до 150 вольт при небольшой мощности. Можно использовать любые мощные полевые транзисторы с учётом их максимального рабочего напряжения, тока и сопротивления открытого канала. Подходящими вариантами также являются IRF740, IRF840, IRFP450 и IRFP460, последние два дороже, но позволяют работать на более высоких мощностях до 500 ватт.

Конденсаторы C5 и C6 образуют делитель напряжения, необходимый для работы полумостового преобразователя. Подойдут плёночные конденсаторы ёмкостью 1-2 мкФ с рабочим напряжением, рассчитанным на напряжение питания с запасом. Диод VD1 должен быть ультрабыстрым, например, UF4007 или аналогичный.

Сборка преобразователя

Схема собирается на печатной плате, которая прилагается к статье. При сборке следует учитывать, что схема требует тщательной разводки. Представленный вариант платы проверен и не имеет дефектов в работе. Плата изготавливается стандартным методом ЛУТ. Ниже приведены фотографии процесса изготовления платы и запайки компонентов.

-4
-5
-6
-7
-8

Давайте поговорим о первичной обмотке. Её нужно намотать на ферритовый сердечник трансформатора самостоятельно, так как стандартные первичные обмотки не предназначены для высокой мощности. Намотка занимает немного времени: достаточно 30-40 витков медного эмалированного провода. Важно, чтобы сечение провода было достаточным, иначе возникнут потери. После намотки обмотку следует соединить с платой с помощью проводов, длина которых не должна быть слишком большой.

-9
-10

Нетрудно понять, что высокое напряжение снимается с «горячего» вывода трансформатора, который обычно имеет толстую изоляцию. Минусовой контакт ТДКС находится в нижней части корпуса, вместе с остальными выводами. Его легко определить, поднеся «горячий» вывод: дуга зажжётся именно на минусовом контакте. Обратите внимание, что на фотографии нижняя часть ТДКС имеет почернения, которые появились из-за работы трансформатора в полумостовой схеме. Это связано с тем, что трансформатор часто используется на пределе своих возможностей, и между различными выводами могут возникать пробои. Чтобы избежать этого, все выводы следует залить диэлектрическим компаундом, а минусовой контакт вывести отдельным проводом.

-11

Для питания всей конструкции необходимо использовать источник с подходящей мощностью. Желательно, чтобы напряжение питания можно было регулировать. В моём проекте в качестве источника питания применяется старый трансформатор из лампового телевизора ТС-160. Для выпрямления используется диодный мост с конденсаторами, который установлен на небольшой плате. Этот компонент можно увидеть на фотографии.

-12

Даже транзисторы малой мощности, такие как IRF630, в этой схеме не сильно нагреваются. После нескольких минут непрерывной работы они остаются тёплыми, если установлены на небольшие радиаторы. Хотя тепловыделение невелико, особенно при использовании транзисторов типа IRFP450-560, для надёжности рекомендуется использовать радиаторы, как показано на фотографии. Общий вид конструкции:

-13
-14

Финальные фотографии демонстрируют высоковольтные дуги и соответствующие видеоматериалы. Напряжение пробоя воздуха составляет около 3 сантиметров. На видео видно, что если высоковольтные электроды находятся на определённом расстоянии друг от друга, дуга не образуется, и трансформатор работает в режиме холостого хода. При этом с его «горячего» вывода и корпуса исходят фиолетовые разряды. При их появлении рекомендуется изолировать возможные места пробоев с помощью диэлектрического компаунда. Важно отметить, что ТДКС не только обладает высоким напряжением, но и достаточной мощностью, чтобы вызвать электротравму при касании высоковольтных выводов. Для образования дуги не обязательно непосредственное прикосновение, учитывая значительное расстояние пробоя. Также следует помнить, что после отключения схемы высокое напряжение на выходе ТДКС остаётся, так как внутри находится конденсатор. Поэтому после отключения необходимо замыкать высоковольтные выводы для разрядки конденсатора. Удачи в сборке!

-15
-16
Как сделать батарею на суперконденсаторах 12В 100А для любой нагрузки
Самый действенный способ восстановления аккумулятора
Простой плазменный шар из лампочки
Источник высокого напряжения из ТДКС
Простая схема инвертора 220 В для трансформаторов с двумя выводами
Качер Бровина и трансформатор Тесла
Стоит ли устанавливать магнит на масляный фильтр
Суперконденсаторы вместо аккумулятора в автомобиле