Читатель Ninth9 обратился с вопросом:
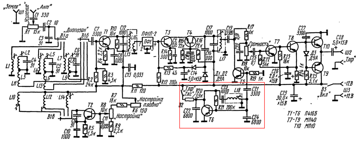
Во-первых, сравним схемы приемника из книги И.В. Казанского и В.Т Полякова "Азбука коротких волн" (1978 г) и приемника из статьи В.Т Полякова "Приемник коротковолновика-наблюдателя" (Радио, №2, 1976 г).
В первом варианте приемника используется LC-генератор 465 кГц, а во втором - генератор на пьезофильтре.
Достоинством LC фильтра является его простота и возможность подстройки на нужный скат АЧХ фильтра. Кажущийся недостаток - недостаточная стабильность при изменении напряжения питания. Но на самом деле стабильность достаточная, так как в генераторе используются конденсаторы большой емкости, снижающие влияние емкостей переходов транзистора.
Во втором приемнике используется генератор на пьезокерамическом фильтре, таком же, как и используемые в УПЧ. Глубина положительной обратной связи регулируется конденсаторами С14 и С15, а с помощью С14 можно в небольших пределах менять частоту генерации. Что интересно, автор в статье говорит о возможности использования вместо пьезо фильтра LC контур.
В этом случае частота генерации устанавливается изменением индуктивности катушки L9.
Хочу сказать, что частоты пьезокерамических фильтров и пьезокерамических резонаторов имеет достаточно большой разброс и не факт, что частота генератора будет равна необходимой. Для широкополосного фильтра это не смертельно, а вот для ЭМФ .....
Теперь о схеме генератора. Мне нравится стандартная емкостная трехточка, вот ее я и решил собрать. Правда, аутентичных П416 и резонаторов 500 кГц у меня не было, но нашлись ГТ308 и резонаторы 455 кГц. Схема простейшая.
С помощью потенциометра R2 устанавливается режим каскада по постоянному току, это лучше делать не подключая резонатор. Напряжение в точке А при перемещении движка потенциометра меняться. У меня, при h21э=64 это напряжение менялось от 0,6 до 4,5 В. Так как в эмиттерной цепи включен резистор 1 кОм, то падение напряжения на нем в вольтах численно равно току через него в миллиамперах. Т.е. ток через резистор R2, а, значит, и через транзистор будет меняться от 0,6 до 4,5 мА.
Вот как это выглядит в натуре.
В качестве потенциометра взял подстроечный резистор, кстати, его сопротивление не критично и может быть 10 кОм до 1 МОм. Что есть, то и ставьте. Резистор R1 ограничивает ток базы, без него можно сжечь транзистор, хотя резистор R3 вряд ли даст это сделать, но лучше предохраняться :)). Использование подстроечного резистора здорово облегчает наладку, тем более, что стоят они копейки.
Подключил питани - не работает! Минут 15 мучился, пока не понял, что нужно поменять полярность питания :)). Сделал это, установил ток около 1,5 мА (напряжение в точке А 1,5 В ). Все заработало сразу.
Вот форма сигнала в точке А:
А вот - в точке А.
Отсюда вывод: брать сигнал из точки Б, как очень часто делают, не стоит - форма сигнала совсем не синус. А вот в точке Б форма хорошая, только вот амплитуда великовата (нам нужно всего около 350 мВ).
Попробовал увеличить ток транзистора и обнаружил, что возникает эффект триггера: когда ток превышает 3 мА, то затем он скачком увеличивается до 4,5 мА, размах сигнала также увеличивается, и в точке Б достигает 15 В.
При этом вернуться к меньшему току при любом положении движка R2 не удается. Генерация не срывается даже если движок подсоединен к общему проводу. Только отключив, а затем снова подключив питание можно сбросить "триггер" в исходное положения.
Но вернемся к рис. 9. Раз напряжение велико, то, значит, нужен делитель. В качестве делителя могут выступать не только резисторы, но и конденсаторы. Поэтому преобразую схему.
В результате, при емкости конденсатора С2=1n размах колебаний на нем около 4 В, а при С=1,5 n - около 3 В. Причем форма сигнала - синусоидальная. Это и понятно: для гармоник основного сигнала сопротивление конденсатора С1 уменьшается с частотой, а, значит, уменьшается и их амплитуда.
Но есть еще один вопрос: на рис 10 видно, что частота сигнала 446 кГц, а не 455 кГц, как написано на резонаторе. Разница не маленькая - 9 кГц. Как же привести ее в норму? Использует тот же прием, как и с кварцевыми резонаторами: между базой и резонатором ставим конденсатор небольшой емкости.
Но генератор не заработал, пришлось увеличивать то транзистора до 2,6 мА - вот тогда все работало. Вот форма напряжения в точке А:
Размах колебаний стал меньше - около 1,5 В, но это даже много. А вот частота стала выше аж на 10 кГц. Теперь, если поставить вместо (или параллельно) С4 подстроечный конденсатор, то можно будет точно устанавливать частоту генератора.
Все вроде нормально, но снимать сигнал с точки Б непосредственно на смеситель не стоит, нужно добавить эмиттерный повторитель.
Вот результат:
Вверху - форма сигнала в точке А, внизу - в точке Б (рис. 14).
Думаю, что и с резонатором 500 кГц будет работать не хуже, тем более, что можно подстроить частоту генератора.
Всем здоровья и успехов!
