Добавить в корзинуПозвонить
Найти в Дзене
НТА-Пром

Фитинги TFNCS с накидной гайкой НТА-Пром

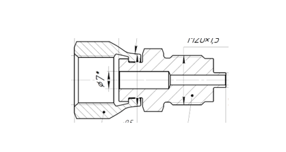
Компания НТА-Пром производит фитинги TFNCS с накидной гайкой для подключения манометров (адаптеры под манометр с поворотной гайкой) и других приборов измерения давления. Конструкция адаптера с вращающейся гайкой обеспечивает удобство позиционирования прибора при монтаже. Фитинг TFNCS выполнен из 2-ух неразъемных частей: штуцера и накидной гайки, обжатой на корпусе таким образом, чтобы обеспечить свободное вращение относительно штуцера. Присоединение к прибору (накидная гайка) Цилиндрическая метрическая резьба (M10x1, M14x1,5, M20x1,5 и др.) или цилиндрическая трубная резьба BSPP (G 1/8, G ¼, G 1/2 и др.) под любые манометры и датчики давления. Присоединение к процессу (штуцер) Наружная или внутренняя резьба: метрическая, NPT, BSPP (G-резьба) или BSPT (R-резьба) Наружная манометрическая резьба с формой торца по ГОСТ 2405-88 (для метрической резьбы) или по EN 837-1 для BSPP (G) резьбы, в коде заказа такая резьба дополняется буквой G после обозначения размера: 20M15G. Присоединение G без
Оглавление

Компания НТА-Пром производит фитинги TFNCS с накидной гайкой для подключения манометров (адаптеры под манометр с поворотной гайкой) и других приборов измерения давления. Конструкция адаптера с вращающейся гайкой обеспечивает удобство позиционирования прибора при монтаже.

Конструкция

Фитинг TFNCS выполнен из 2-ух неразъемных частей: штуцера и накидной гайки, обжатой на корпусе таким образом, чтобы обеспечить свободное вращение относительно штуцера.

-2

Присоединение к прибору (накидная гайка)

Цилиндрическая метрическая резьба (M10x1, M14x1,5, M20x1,5 и др.) или цилиндрическая трубная резьба BSPP (G 1/8, G ¼, G 1/2 и др.) под любые манометры и датчики давления.

Присоединение к процессу (штуцер)

Наружная или внутренняя резьба: метрическая, NPT, BSPP (G-резьба) или BSPT (R-резьба)

-3

Наружная манометрическая резьба с формой торца по ГОСТ 2405-88 (для метрической резьбы) или по EN 837-1 для BSPP (G) резьбы, в коде заказа такая резьба дополняется буквой G после обозначения размера: 20M15G. Присоединение G без дополнительного кода G соответствует DIN 3852-2, Присоединение М без доп. кода G соответствует DIN 3852-1.

-4

Трубный адаптер под обжимной фитинг НТА-Пром

-5

Обжимной фитинг НТА-Пром под метрические и дюймовые трубки

-6

Технические преимущества

Удобное позиционирование прибора
Накидная гайка позволяет позиционировать средство измерения максимально удобным способом на 360 градусов.

Высокое рабочее давление
До 51,7 МПа для фитинга с накидной гайкой М12х1,5

Отсутствие сварных швов
Надежное механическое соединение; повышает стойкость к вибрации и другим нагрузкам; не требуется контроль сварных швов.

Большой выбор торцевых соединений

  • Подключение прибора к любому клапану, приборному манифольду или фитингу.
  • Возможность выбора адаптера под обжим или обжимного фитинга в качестве присоединения к процессу обеспечивает гибкость монтажа в различных системах и уменьшает количество переходников.
  • Внутренняя метрическая резьба для подключения манометра изготовлена по ГОСТ 24705-2004 и обеспечивает точность позиционирования уплотнительной прокладки, что дает 100% вероятность сборки герметичного соединения с 1 раза.

Быстрый монтаж и демонтаж

  • Для установки прибора требуется только пара гаечных ключей;
  • Cоединение можно многократно разбирать и собирать, что удобно при замене манометров и поверке.
  • Специальная манометрическая заглушка позволяет заглушить стандартный манометрический порт в период замены или поверки средства измерения.
-7

Компактное исполнение

Конструкция фитинга с накидной гайкой имеет минимальные габариты, что позволяет устанавливать его в стеснённых условиях.

Широкий выбор материалов

  • Применение в различных средах (в т.ч. агрессивных);
  • Стандартное исполнение: нержавеющая сталь 316/316L;
  • Дополнительно: углеродистая сталь, латунь, монель.

Наличие и доставка

  • Фитинги TFNCS доступны к отгрузке от 1 дня, в наличии на складе в Москве;
  • Фитинги доступны к доставке по России, а также возможен самовывоз со склада.

Сертификаты

Фитинги TFNCS включены в Реестр Российской продукции на основании решения ТПП РФ с подтверждением сертификатом СТ-1.

-8

Примечание: необходимо использовать прокладки (уплотнительные кольца) для герметичного подключения прибора и уплотнения цилиндрической резьбы. При демонтаже/повторном монтаже прибора требуется замена прокладки. Прокладки заказываются отдельно. Более подробно смотрите технические характеристики адаптеров под манометр с поворотной гайкой в разделе на сайте.

Для оперативного подбора нашим техническим специалистам по номеру телефона 8-495-363-63-00. или отправляйте запрос на электронную почту zakaz@nta-prom.ru.

Мы в соц. сетях:

Телеграм: t.me/ntapromru

ВКонтакте: vk.com/ntaprom

VK Видео: vkvideo.ru/@ntaprom

Яндекс Дзен: dzen.ru/ntaprom

Rutube: rutube.ru/u/ntaprom