Найти в Дзене
Старый радио любитель

Старые приемники. "Карпаты"

В журнале Радио №11 и 12 за 1987 год было опубликовано описание схемы и конструкции радиолюбительского связного приемника "Карпаты", авторами которого являлись украинские радиолюбители Ю. Бахмутский (UB4LGP) и В. Калаев (RB5LEN). Этот приемник довольно сложен и уж точно не для начинающих. Это супергетеродинный приемник с двумя преобразованиями (ПЧ1=5,5 МГц, ПЧ2=500 кГц). Вот его блок-схема: На входе приемника установлен отключаемый резистивный аттенюатор с ослаблением 20 дБ, откуда сигнал подается на широкополосный УВЧ. С выхода УВЧ усиленный сигнал попадает на вход первого смесителя, куда подается и сигнал от ГПД. На вход смесителя подается или сигнал непосредственно генератора или с выхода удвоителя частоты. Сигнал первой ПЧ выделяется полосовым фильтром и усиливается УПЧ1, а затем подается на вход второго смесителя U2, куда подается сигнал кварцевого генератора 5 МГц. На выходе второго смесителя стоит ЭМФ, который и определяет избирательность по соседнему каналу. Выделенный сигнал

В журнале Радио №11 и 12 за 1987 год было опубликовано описание схемы и конструкции радиолюбительского связного приемника "Карпаты", авторами которого являлись украинские радиолюбители Ю. Бахмутский (UB4LGP) и В. Калаев (RB5LEN).

Этот приемник довольно сложен и уж точно не для начинающих. Это супергетеродинный приемник с двумя преобразованиями (ПЧ1=5,5 МГц, ПЧ2=500 кГц). Вот его блок-схема:

Рис. 1.
Рис. 1.

На входе приемника установлен отключаемый резистивный аттенюатор с ослаблением 20 дБ, откуда сигнал подается на широкополосный УВЧ. С выхода УВЧ усиленный сигнал попадает на вход первого смесителя, куда подается и сигнал от ГПД. На вход смесителя подается или сигнал непосредственно генератора или с выхода удвоителя частоты. Сигнал первой ПЧ выделяется полосовым фильтром и усиливается УПЧ1, а затем подается на вход второго смесителя U2, куда подается сигнал кварцевого генератора 5 МГц. На выходе второго смесителя стоит ЭМФ, который и определяет избирательность по соседнему каналу. Выделенный сигнал усиливается УПЧ2 и подается на вход третьего смесителя (демодулятора CW и SSB), куда подается и сигнал второго кварцевого генератора 500 кГц. Сигнал НЧ с выхода демодулятора подается на вход предварительного УНЧ, а затем - на оконечный УМЗЧ.

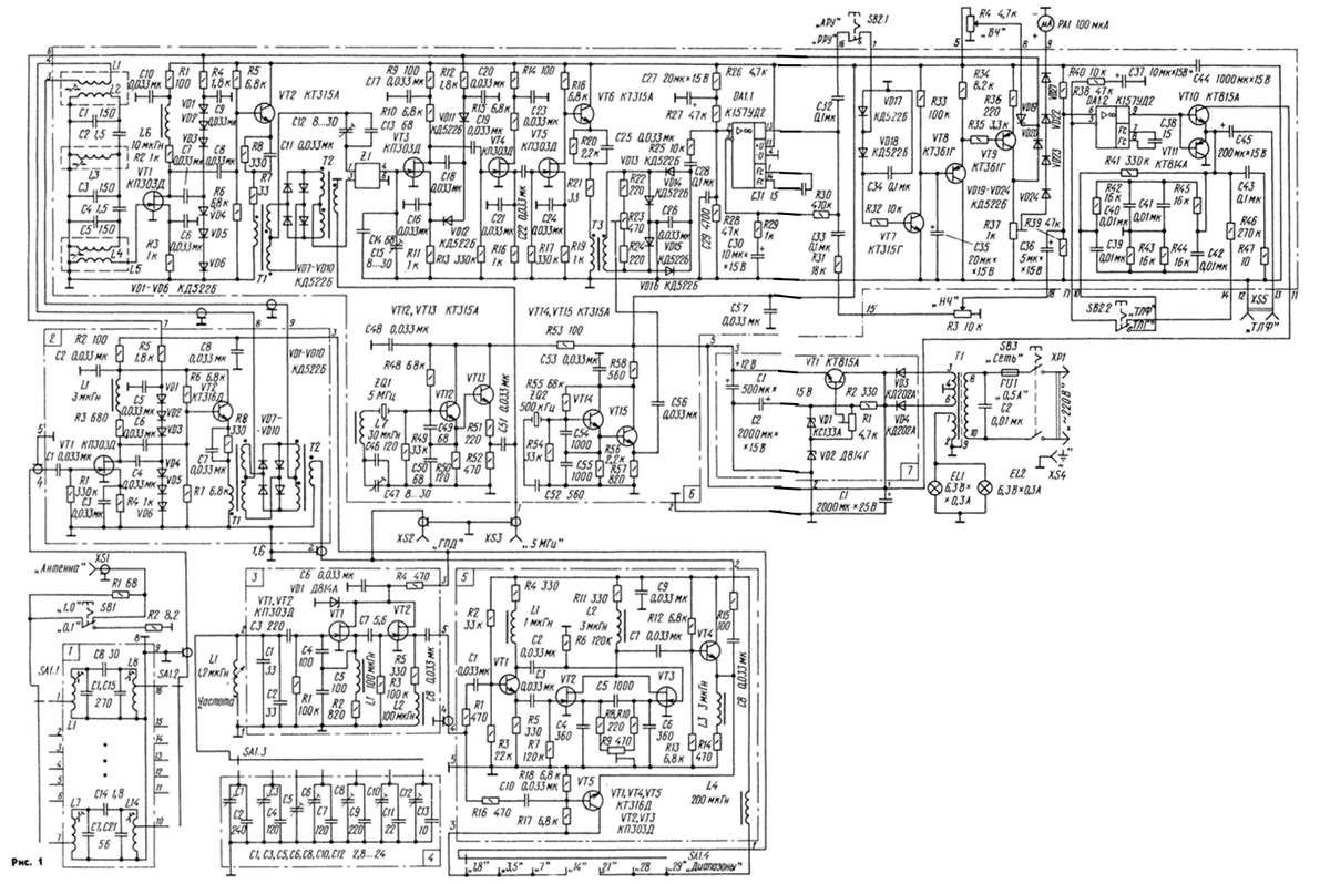
Взглянем на схему приемника.

Рис. 2. Из журнала Радио №11 за 1987 год
Рис. 2. Из журнала Радио №11 за 1987 год

Рассмотрим некоторые узлы, начиная с ГПД.

Рис. 3. Из журнала Радио №11 за 1987 год
Рис. 3. Из журнала Радио №11 за 1987 год

В схеме интересна построена нумерация элементов: она отдельная для каждого блока. Причем, если в блоке генератора (3) транзисторы просто обозначаются, как VT1, VT2, то в статье они обозначаются как 3-VT1, 3-VT2.

Собственно генератор собран на полевом транзисторе 3-VT1 по схеме емкостной трехточки, катушка на всех диапазонах одна - это вариометр, с помощью которого и ведется перестройка по частоте. Сигнал генератора снимается с истока транзистора и подается на через конденсатор малой емкости на затвор 3-VT2, работающего как истоковый повторитель. Дроссель в L2 в цепи истока служит для коррекции частотной характеристики.

С выхода блока 3 генератора сигнал подается на блок 5. Там путь сигнала разветвляется: он поступает на вход эмиттерного повторителя на транзисторе 5-VT5 и на вход фазоинверторного каскада на транзисторе 5-VT1, а с его эмиттера и коллектора - на затворы балансного удвоителя на 5-VT2, 5-VT3. С их общей нагрузки 5-L2 сигнал с удвоенной частотой подается на эмиттерный повторитель на 5-VT4, имеющий общую эмиттерную нагрузку с 5-VT5. Если удвоение нужно, то питание подается на коллектор 5-VT4, если не нужно - на коллектор 5-VT5.

Чувствуется, что авторы не очень заботились о частоте спектра сигнала гетеродина: во-первых, можно было бы снимать сигнал на истоковый повторитель не с истока 3-VT1, а с колебательного контура. где он уж точно синусоидальный; во-вторых, на выходе удвоителя нет избирательных цепей, снижающие искажения сигнала - какой бы не была балансной схема, на выходе непременно будет входной сигнал.

Стабильность частоты этого генератора такова, что ее уход за 1 час работы не превышает 100 Гц. Очень даже неплохо для телеграфа и SSB.

Рис. 4. Из журнала Радио №11 за 1987 год
Рис. 4. Из журнала Радио №11 за 1987 год

Все три смесителя - диодные балансные кольцевые - тут сказать нечего, хороший выбор. УВЧ (блок 2) и УПЧ1 (блок 6 в верхней части рисунка) собраны по одной и той же схеме на полевых транзисторах КП303Д. В стоковые цепи включены корректирующие дроссели: в УВЧ - 3 мкГн, а в УПЧ1 - 10 мкГн.

В обоих усилителях бросаются в глаза цепочки диодов (выделены красным пунктиром) подключенных к стокам транзисторов через диоды. Сначала я подумал, что это двусторонние ограничители. Но высмотрел резисторы (R5 в УВЧ и R4 в УПЧ1), через которые к ним подводится напряжение АРУ. При подаче на эти цепочки положительного напряжения они открываются и шунтируют нагрузку усилителя. Интересно, что по постоянному току все диоды включены последовательно, а по переменному току группы из трех последовательно включенных диодов включены встречно-параллельно. Интересное решение, нужно будет проверить его эффективность.

Рис. 5. Из журнала Радио №11 за 1987 год
Рис. 5. Из журнала Радио №11 за 1987 год

Кварцевые генераторы собраны по схеме емкостной трехточки с эмиттерными повторителями на выходе. Тут возникает такой же вопрос, как и в ГПД - о форме сигнала на выходе - он там отнюдь не синусоидальна. Как видно на рис. 5, в приемнике есть выходы сигнала гетеродина и кварцевого генератора 5 МГц, что намекает на добавление к этому приемнику передающей приставки, для которой потребуется еще один ЭМФ, ДПФ и т.д.

Рис. 6. Из журнала Радио №11 за 1987 год
Рис. 6. Из журнала Радио №11 за 1987 год

УПЧ2 - трехкаскадный + эмиттерный повторитель на выходе. Все каскады апериодические, в первом каскаде задействована такая же система АРУ, как и в УВЧ, но используются только два транзистора вместо 6-ти. Зато на них подается небольшое запирающее напряжение с истока транзистора.

Рис. 7. Из журнала Радио №11 за 1987 год
Рис. 7. Из журнала Радио №11 за 1987 год

Основой УНЧ является сдвоенный операционный малошумящий усилитель 157УД2. Один усилитель работает в предварительном УНЧ (его Кус около 50), а второй - в оконечном с подключенном к его выходу двухтактным транзисторным каскадом на комплементарной паре транзисторов.

Интересно, что на выходе демодулятора перед предварительным УНЧ только простейший фильтр в виде конденсатора С29. Телеграфный фильтр подключается только в оконечном УНЧ и формируется за счет цепи ООС.

Красным пунктиром на рис. 7. обведен формирователь сигнала АРУ. Система АРУ работает от выхода предварительного УНЧ, сигнал которого выпрямляется детектором по схеме удвоения, а затем подается на усилитель постоянного тока на VT7, затем на эмиттерный повторитель, а его выхода - на еще один каскад усиления. Столь сложная система АРУ дает изменение сигнала на выходе УМЗЧ на 6 дБ (2 раза) при изменении сигнала на входе 60 дБ (1000 раз)

Питание приемника осуществляется от сети. Не смотря на довольно сложную чувствительность приемника - около 1 мкВ. Про динамику написано так:

Рис. 7. Из журнала Радио №11 за 1987 год
Рис. 7. Из журнала Радио №11 за 1987 год

На одном из сайтов нашел, что "Интермодуляционная избирательность приемника определяется динамическим диапазоном МШУ." Думаю, что если бы УВЧ был бы отключаемым, то и ДД был бы существенно болще.

Но любительская схемотехника - это всегда компромисс между имеющейся компонентной базой и требованиями к приемнику :)).

Всем здоровья и успехов!