Найти в Дзене
Реальность  360°

Компоновка компрессорной станции: разберём «от А до Я»

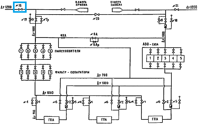
Компоновки компрессорных станций (КС) бывают разные — как фасоны платьев у модниц! Всё зависит от задачи, которую ставит перед станцией инженер: сколько газа надо перекачать, насколько он «грязный», какие трубы используются и так далее. Есть схемы с последовательной обвязкой, есть с параллельной, с разными вариантами коллекторов, перемычек и так далее. Каждая — как паззл: детали почти те же, а картинка получается разная. Сегодня мы разберём компоновку КС с параллельной коллекторной обвязкой ГПА (газоперекачивающих агрегатов). Почему именно её? Потому что это — «Азбука» для инженера! На первой же лекции в вузе её показывают как самую понятную и базовую. Здесь всё чётко и логично: газ идёт по прямой «дорожке», агрегаты работают независимо друг от друга, а схема напоминает расправленную паутину, где каждая нить — это трубопровод. Освоите эту схему — дальше любые «извилистые маршруты» газа будут казаться вам детской забавой! Посмотрите на схему — вроде бы просто линии и квадратики, но кажд
Оглавление

Какие бывают компоновки КС и почему мы разбираем именно эту ?

Компоновки компрессорных станций (КС) бывают разные — как фасоны платьев у модниц! Всё зависит от задачи, которую ставит перед станцией инженер: сколько газа надо перекачать, насколько он «грязный», какие трубы используются и так далее.

Есть схемы с последовательной обвязкой, есть с параллельной, с разными вариантами коллекторов, перемычек и так далее. Каждая — как паззл: детали почти те же, а картинка получается разная.

Сегодня мы разберём компоновку КС с параллельной коллекторной обвязкой ГПА (газоперекачивающих агрегатов). Почему именно её?

Потому что это — «Азбука» для инженера! На первой же лекции в вузе её показывают как самую понятную и базовую. Здесь всё чётко и логично: газ идёт по прямой «дорожке», агрегаты работают независимо друг от друга, а схема напоминает расправленную паутину, где каждая нить — это трубопровод.

Освоите эту схему — дальше любые «извилистые маршруты» газа будут казаться вам детской забавой!

Что изображено на схеме: разбираем значки и аббревиатуры

Посмотрите на схему — вроде бы просто линии и квадратики, но каждый элемент здесь — как деталь в часовом механизме. Давайте «переведём» значки и аббревиатуры.

Компоновка КС с параллельной коллекторной обвязкой ГПА (газоперекачивающих агрегатов)
Компоновка КС с параллельной коллекторной обвязкой ГПА (газоперекачивающих агрегатов)

Ключевые элементы схемы:

  • Ду (диаметр условный) — размер трубы (например, Ду 1200 — труба диаметром 1200 мм).
  • ГПА (газоперекачивающий агрегат) — «сердце» станции, «насос», который «качает» газ.
  • АВО (аппарат воздушного охлаждения) — как холодильник для газа: охлаждает «уставший» после сжатия газ.
  • ПУ (пылеуловители) — «фильтры» для газа, убирают «мусор» (механические примеси).
  • Фильтр-сепараторы — «доочистка» после пылеуловителей, ловят остатки влаги и пыли.
  • Краны (№7, №19, №8 и др.) — «вентили», которые открывают/закрывают путь газу. У каждого — своя роль!
  • Свечные краны (№17, №18, №5) — «выпускной клапан», стравливают газ в атмосферу при аварии или ремонте.
  • Камеры приёма/запуска — «стартовая площадка» для очистного устройства (поршня со щётками), которое чистит газопровод.
  • Перемычки (Ду 1200, Ду 700) — «обходные дорожки», позволяют газу идти в обход КС.

Как работает компоновка: путешествие газа через КС

Представьте, что вы — молекула газа, которая мчится по магистральному газопроводу. Что вас ждёт на компрессорной станции? Давайте пройдём этот путь вместе!

Этап 1. Вход на компрессорную станцию

Вы движетесь по магистральному газопроводу (диаметр Ду 1200) и первым встречаете охранный кран №19.

-2

Он автоматически отсекает КС от магистрального газопровода в случае аварии на станции (например, утечки или взрыва). В нормальном режиме: кран открыт, вы беспрепятственно проходим дальше.

Далее вы сталкиваетесь с входными кранами №7 (основной входной кран) и №7р, находящийся на обводной линии.

-3

Кран №7р находится на обводной линии. Он открывается первым для выравнивания давления между магистральным газопроводом и системой КС. Это как медленно надувать шарик, чтобы он не лопнул.

Если сразу открыть кран №7 без выравнивания давления — произойдёт газодинамический удар (резкий хлопок), способный повредить оборудование.

Этап 2. Свечной кран

После входных кранов вы встречаете свечной кран №17.

-4

Кран №17 необходим для стравливания газа в атмосферу при авариях или профилактических работах (например, при очистке трубопровода)

Аналогичные краны: №5 и №18 работают по тому же принципу — они также используются для аварийного стравливания газа в разных участках схемы.

Этап 3. Очистка газа: пылеуловители и фильтр-сепараторы

Теперь вы попадаете в систему очистки, состоящую из двух этапов:

Пылеуловители (ПУ) — первые «фильтры» на вашем пути:

Назначение: очищают газ от крупных механических примесей (ржавчины, песка, окалины), которые образуются в магистральном газопроводе из-за коррозии труб, остатков строительных материалов после монтажа.

Почему нужна очистка?
Неочищенный газ может: повредить компрессоры и турбины, вызвать задиры и износ движущихся частей, а также привести к аварийным остановкам.

-5

Фильтр-сепараторы — «доочистка» после ПУ.

Назначение: улавливают мелкие частицы и капельную влагу, которые не задержались в пылеуловителях.

Краны до и после ПУ/фильтров позволяют изолировать оборудование от газа для ремонта.

Этап 4. Параллельная обвязка ГПА

После очистки вы попадаете в систему параллельной обвязки газоперекачивающих агрегатов (ГПА). Это ключевая особенность данной компоновки - газ распределяется по нескольким ГПА одновременно (каждый агрегат работает независимо от другого).

Такое техническое решение повышает надежность станции, так как при выходе из строя одного ГПА, остальные будут продолжать работать).

Краны №4 и №1 (на входе в ГПА)

-6
  • Кран №4 (обводной) — открывается первым для выравнивания давления перед пуском ГПА.
  • Кран №1 (основной) — открывается после крана №4, пропуская газ в нагнетатель.

Этап 5. Сжатие газа в ГПА

Наконец, вы попадаете в газоперекачивающий агрегат (ГПА) — «сердце» компрессорной станции. Основная задача ГПА - сжать газ (компримировать), словно пружину, повысив его давление и температуру.

Представим:

На входе в КС: давление газа - 7 МПа, температура - +20 гр. по Цельсию.

После ГПА: давление - 10 МПа, температура - +80 гр. по Цельсию

Этап 6. Контроль давления: обратный клапан и малое станционное кольцо

После сжатия вы встречаете обратный клапан перед краном №2.

-7

Обратный клапан пропускает газ только в одном направлении, блокируя обратный поток.

Если давления недостаточно, клапан закрывается, и газ направляется по малому станционному кольцу (через кран №6): газ возвращается на повторную очистку (ПУ и фильтр-сепараторы). Цикл повторяется до достижения нужного
давления - это и называется
"малое станционное кольцо" - режим рециркуляции для набора давления.

Кран №2 (выходной из ГПА) открывается только при достаточном давлении, пропуская газ дальше по технологической цепочке.

Этап 7. Охлаждение газа в АВО

После крана №2 вы попадаете в аппараты воздушного охлаждения (АВО).

-8

Основное назначение АВО - понижение температуры газа после сжатия (иначе повышенные температуры могут повредить изоляции трубопроводов).

Параметры после АВО: температура газа снижается с +80 гр. по Цельсию до +40 гр. по Цельсию (примерные значения).

Этап 8. Финальный контроль и выход в магистраль

Перед выходом из КС вы проходите через кран №8 и обратный клапан.

-9

Обратный клапан повторно проверяет давление - достаточно-ли оно для выхода в магистраль.

  • Если давление недостаточно - газ направляется по станционному кольцу (через краны №6А, №6Ар, №6а). Это большой контур рециркуляции — газ возвращается на вход КС для повторного сжатия. Цикл повторяется до достижения проектных параметров давления.

Параметры на выходе из КС:

  • давление — 10,5 МПа (примерное значение);
  • температура — +45 °C.

Кран №8 (выходной из КС) открывается при достижении нужных значений параметров, пропуская газ к финальному этапу.

Этап 9. Выход в магистральный газопровод

Финальный этап — прохождение через охранный кран №21. Защищает участок газопровода после КС в случае аварий. После открытия крана №21, вы продолжаете движение по магистральному газопроводу.

-10

Этап 10. Транзитный кран (№20) — «обходная дорожка»

Особая часть схемы — транзитный кран (№20).

-11

Основное назначение - позволяет газу обойти КС в случае поломки ГПА, ПУ, АВО. Газ пройдет по обводному трубопроводу, минуя всю технологическую цепочку КС.

Итог

Ваше путешествие через КС заняло несколько циклов рециркуляции, но в
итоге вы:

  1. прошли очистку от механических примесей;
  2. были сжаты до нужного давления;
  3. охлаждены до безопасных температур;
  4. вышли в магистральный газопровод с параметрами, обеспечивающими безопасную транспортировку.

Ключевые режимы работы:

  • Малое станционное кольцо (рециркуляция через кран №6) — для набора давления перед ГПА.
  • Станционное кольцо (рециркуляция через краны №6А, №6Ар, №6Д) — для поддержания давления на выходе из КС.
  • Транзитный режим (через кран №20) — для обхода КС при авариях или ремонте.

Таким образом, компрессорная станция — это сложный, но чётко отлаженный механизм, обеспечивающий надёжную транспортировку газа на большие расстояния!

#КомпрессорнаяСтанция #КомпоновкаКС #ГазотранспортнаяСистема #ГПА #ТехнологическаяСхема