Найти в Дзене
Сурен Aкопджанян

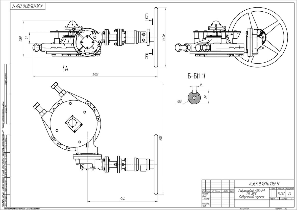
Друзья, коллеги, спешим сообщить вам, что нами представлен, гидропривод нового типа, для управления шаровыми кранами и дисковыми затворами

Кроме поршне-винтового гидропривода, мы разработали и начинаем производить гидропривода героторно-спиройдные, двойного действия. У каждого из этих типов, есть свои преимущества. Какие? Готовы подискутировать на эту тему с каждым из вас. Направляйте свои соображения и вопросы на почту info@aesk.ru, звоните +7 911 717-77-88 или пишите в Телеграм, по этому же номеру. Там же сможете узнать стоимость и условия поставки. Как всегда с вами, ООО "АЭСК"

Друзья, коллеги, спешим сообщить вам, что нами представлен, гидропривод нового типа, для управления шаровыми кранами и дисковыми затворами. Кроме поршне-винтового гидропривода, мы разработали и начинаем производить гидропривода героторно-спиройдные, двойного действия. У каждого из этих типов, есть свои преимущества. Какие? Готовы подискутировать на эту тему с каждым из вас. Направляйте свои соображения и вопросы на почту info@aesk.ru, звоните +7 911 717-77-88 или пишите в Телеграм, по этому же номеру. Там же сможете узнать стоимость и условия поставки. Как всегда с вами, ООО "АЭСК"