Добавить в корзинуПозвонить
Найти в Дзене
Электронный досуг

NANOVNA - проверка фильтров, дискриминаторов, кварцев.

Небольшая статья для начинающих.
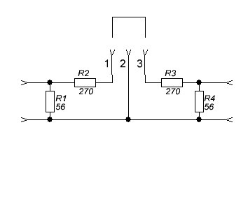
Для проверки фильтров УПЧ ЧМ надо спаять простейший стенд, который состоит из 2-х разъемов SMA, 4 - х резисторов и панельки для микросхем(или части панельки - надо всего 3 гнезда). Резисторы нужны для согласования входного и выходного сопротивления фильтра, которые обычно для фильтров ПЧ около 330 Ом.
После обычной процедуры калибровки NANOVNA переводится в режим свип - генератора(SWR), выставляется стартовая и конечная частота. Затем замыкаются контакты 1 и 3 гнезда, проводится калибровка. ( Здесь с подключенным стендом с замкнутыми гнездами 1 и 3 проводится только последний пункт калибровки - когда соединены вход и выход NANOVNA через стенд). Калибровка записывается в свободную ячейку.
Характеристика пьезокерамического фильтра на 10,7 МГц.
Как видим, характеристика фильтра неплохая. Вершина плоская. Перемещая курсор находим полосу пропускания на уровне -3 дБ от верха "шляпки".
У этого фильтра полоса пропускания получилось 180 кГц, что со

Небольшая статья для начинающих.


Для проверки фильтров УПЧ ЧМ надо спаять простейший стенд, который состоит из 2-х разъемов SMA, 4 - х резисторов и панельки для микросхем(или части панельки - надо всего 3 гнезда). Резисторы нужны для согласования входного и выходного сопротивления фильтра, которые обычно для фильтров ПЧ около 330 Ом.
После обычной процедуры калибровки NANOVNA переводится в режим свип - генератора(SWR), выставляется стартовая и конечная частота. Затем замыкаются контакты 1 и 3 гнезда, проводится калибровка. ( Здесь с подключенным стендом с замкнутыми гнездами 1 и 3 проводится только последний пункт калибровки - когда соединены вход и выход NANOVNA через стенд). Калибровка записывается в свободную ячейку.

-2

Характеристика пьезокерамического фильтра на 10,7 МГц.

-3

Как видим, характеристика фильтра неплохая. Вершина плоская. Перемещая курсор находим полосу пропускания на уровне -3 дБ от верха "шляпки".
У этого фильтра полоса пропускания получилось 180 кГц, что соответствует даташиту. Девиация частоты современного ФМ диапазона регламентирована +- 75 кГц. Т.е. ширина девиации - 150 кГц. Полоса 180 кГц вполне подходит для монофонического сигнала. Для стерео надо полосу 230 кГц.

Характеристика кварца на 10,7 МГц.

-4

А вот характеристика дискриминатора.

-5

Это хороший дискриминатор - линейный участок составляет около 400 кГц. Так и должно быть - линейный участок должен быть шире полосы пропускания ПЧ, чтобы не было нелинейных искажений при небольшом смещении центральной частоты.
Как видим, кварц в качестве дискриминатора работать не может - у него линейный участок слишком узкий.

-6

Удачи в экспериментах!
Быть добру!